Vorderachse

Ersatzteile für Tigara Rasentraktoren TG 22/107 HBI mit der Gerätenr. 13IT79KG649 (2019)

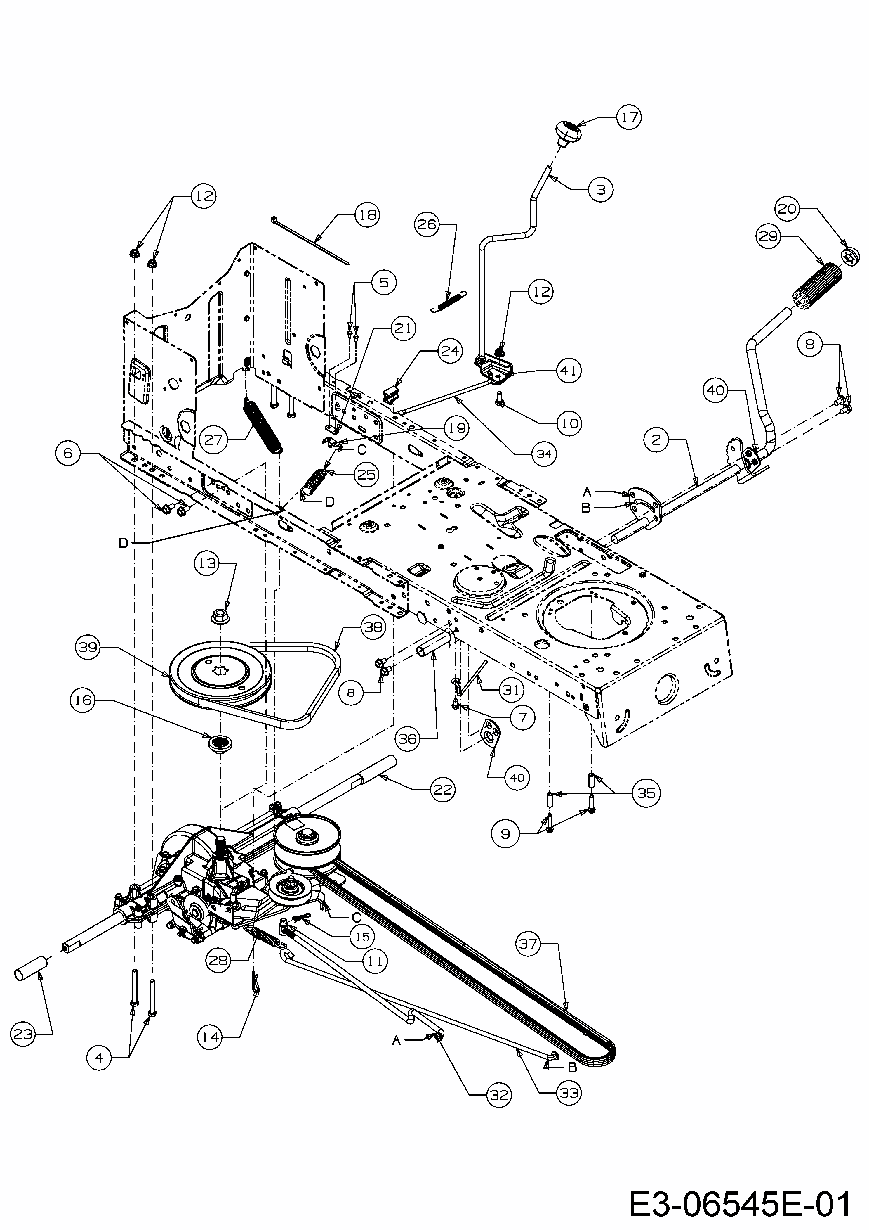
Zeichnung

Sollten Sie Fragen zu einem Ersatzteil vom Tigara Rasentraktoren TG 22/107 HBI haben, können Sie uns gerne eine E-Mail (mit einem Foto vom Typenschild Ihres Gerätes) schreiben oder eine Ersatzteilanfrage stellen.

Folgende Ersatzteile für Tigara Rasentraktoren TG 22/107 HBI für Gerätenr. 13IT79KG649 (2019) der Zeichnungsgruppe Vorderachse können Sie hier bestellen:
Artikel 1 - 11 von 11

6,15 € *
Lieferzeit: 2 - 10 Werktage
4,22 € *
Lieferzeit: 2 - 10 Werktage
4,12 € *
Lieferzeit: 2 - 10 Werktage
28,45 € *
Lieferzeit: 2 - 10 Werktage

Artikel 1 - 11 von 11