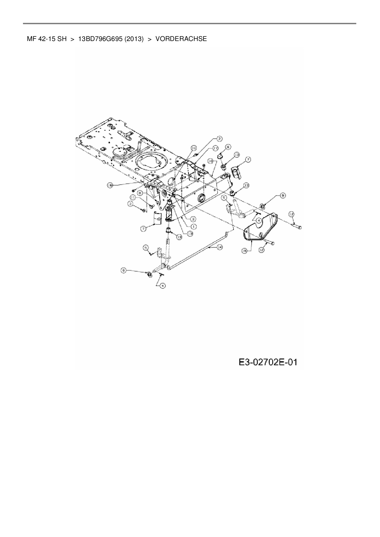
Vorderachse

Zeichnung für Massey Ferguson Rasentraktor MF 42-15 SH mit der Geräte-Artikelnr. 13BD796G695 ab Baujahr 2013:

Zeichnung Vorderachse

Die Ersatzteil-Zeichnung für Rasentraktor Massey Ferguson MF 42-15 SH als Download:
Download Ersatzteil-Zeichnung Massey Ferguson MF 42-15 SH Zeichnung Vorderachse (PDF-Format)
Download Ersatzteil-Zeichnung Massey Ferguson MF 42-15 SH Zeichnung Vorderachse (JPG-Format)

Sollten Sie Fragen zu einem Ersatzteil haben, können Sie uns gerne eine E-Mail (mit einem Foto vom Typenschild Ihres Gerätes) schreiben oder eine Ersatzteilanfrage stellen.

Ersatzteile für Rasentraktor Massey Ferguson MF 42-15 SH aus der Zeichnung Vorderachse:
Artikel 1 - 16 von 16

4,88 € *
Lieferzeit: 2 - 10 Werktage
5,88 € *
Lieferzeit: 2 - 10 Werktage
28,45 € *
Lieferzeit: 2 - 10 Werktage
33,42 € *
Lieferzeit: 2 - 10 Werktage

Artikel 1 - 16 von 16