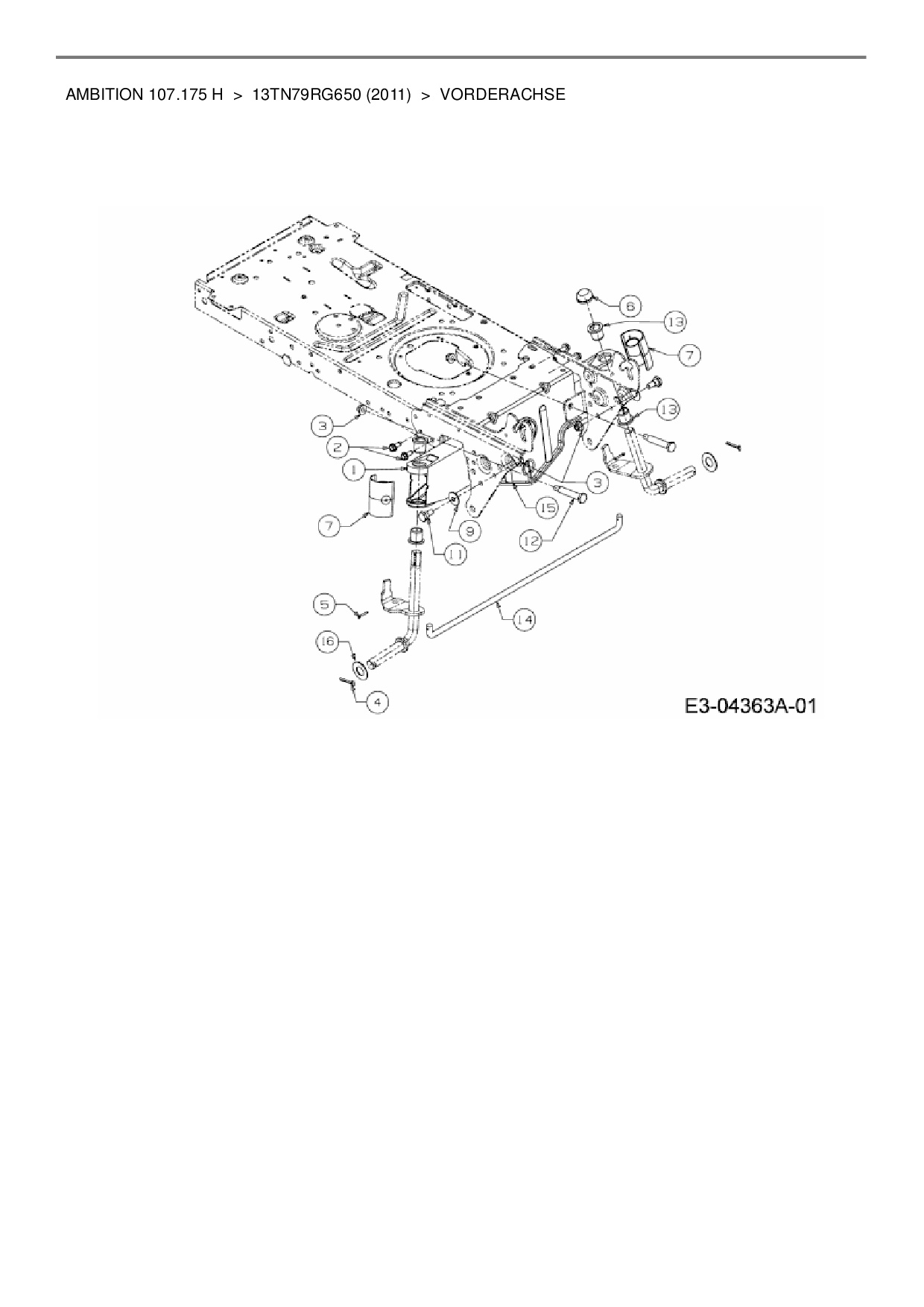
Vorderachse

Zeichnung für Wolf-Garten Rasentraktor Ambition 107.175 H mit der Geräte-Artikelnr. 13TN79RG650 ab Baujahr 2011:

Zeichnung Vorderachse

Die Ersatzteil-Zeichnung für Rasentraktor Wolf-Garten Ambition 107.175 H als Download:
Download Ersatzteil-Zeichnung Wolf-Garten Ambition 107.175 H Zeichnung Vorderachse (PDF-Format)
Download Ersatzteil-Zeichnung Wolf-Garten Ambition 107.175 H Zeichnung Vorderachse (JPG-Format)

Sollten Sie Fragen zu einem Ersatzteil haben, können Sie uns gerne eine E-Mail (mit einem Foto vom Typenschild Ihres Gerätes) schreiben oder eine Ersatzteilanfrage stellen.

Ersatzteile für Rasentraktor Wolf-Garten Ambition 107.175 H aus der Zeichnung Vorderachse:
Artikel 1 - 14 von 14

6,88 € *
Lieferzeit: 2 - 10 Werktage
5,88 € *
Lieferzeit: 2 - 10 Werktage
28,45 € *
Lieferzeit: 2 - 10 Werktage
51,32 € *
Lieferzeit: 2 - 10 Werktage

Artikel 1 - 14 von 14