Vertikutierergehäuse

Zeichnung für Wolf-Garten Motorvertikutierer UV 35 B mit der Geräte-Artikelnr. 3635000 Serie H ab Baujahr 2010:

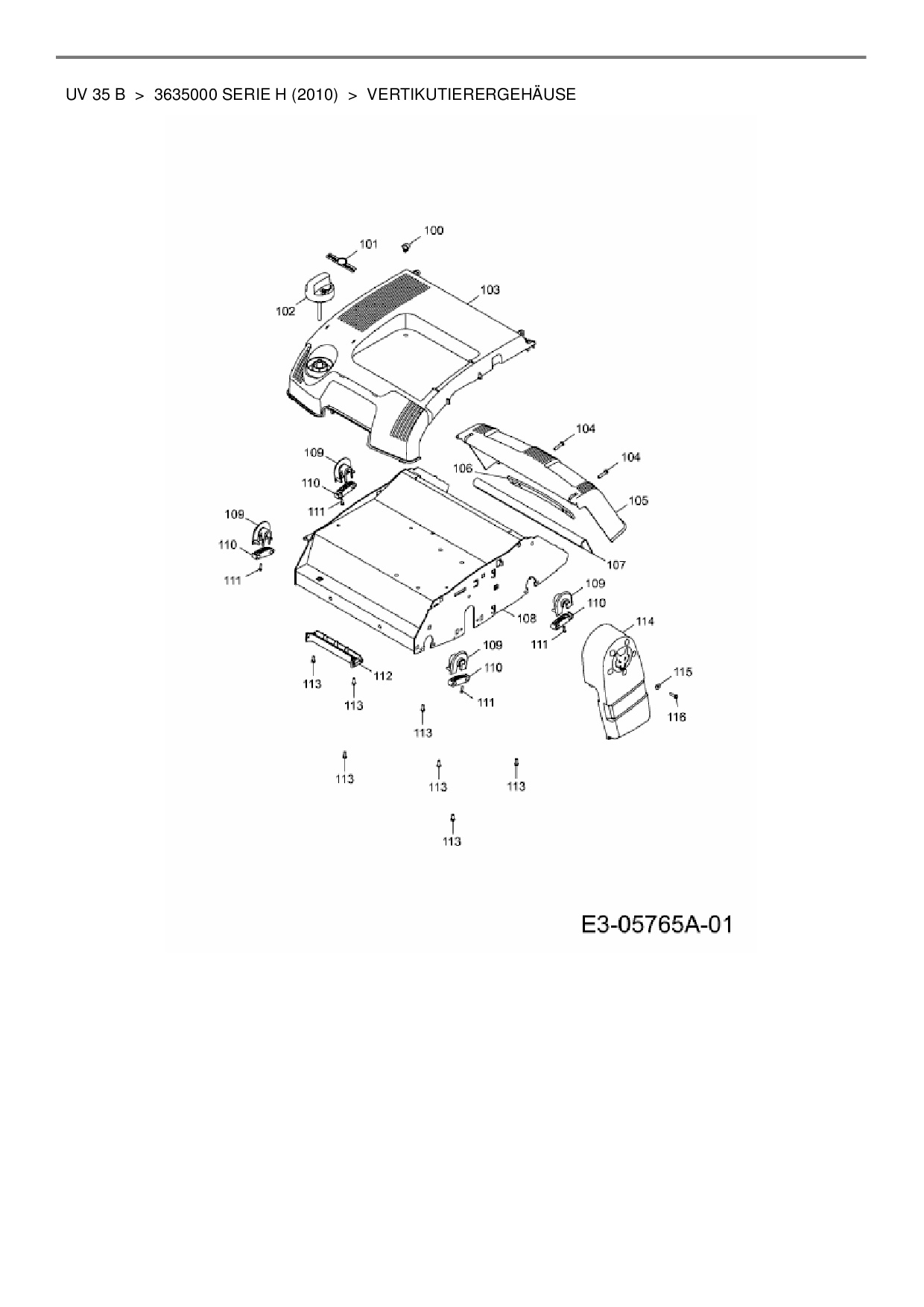
Zeichnung Vertikutierergehäuse

Die Ersatzteil-Zeichnung für Motorvertikutierer Wolf-Garten UV 35 B als Download:
Download Ersatzteil-Zeichnung Wolf-Garten UV 35 B Zeichnung Vertikutierergehäuse (PDF-Format)
Download Ersatzteil-Zeichnung Wolf-Garten UV 35 B Zeichnung Vertikutierergehäuse (JPG-Format)

Sollten Sie Fragen zu einem Ersatzteil haben, können Sie uns gerne eine E-Mail (mit einem Foto vom Typenschild Ihres Gerätes) schreiben oder eine Ersatzteilanfrage stellen.

Ersatzteile für Motorvertikutierer Wolf-Garten UV 35 B aus der Zeichnung Vertikutierergehäuse:
Artikel 1 - 10 von 16

43,93 € *
Lieferzeit: 2 - 10 Werktage
26,32 € *
Lieferzeit: 2 - 10 Werktage
7,88 € *
Lieferzeit: 2 - 10 Werktage
5,88 € *
Lieferzeit: 2 - 10 Werktage

Artikel 1 - 10 von 16