Vergaser, Luftfilter

Zeichnung für MTD-Motoren Vertikal 1 P 65 RHA mit der Geräte-Artikelnr. 752Z1P65RHA ab Baujahr 2013:

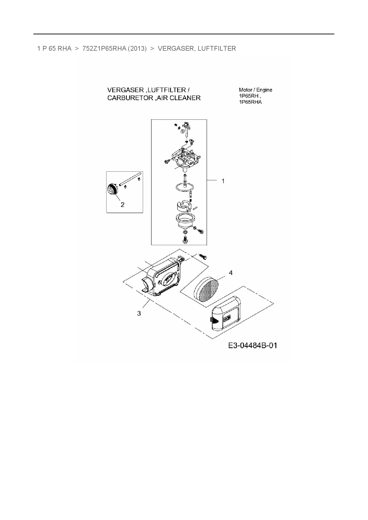
Zeichnung Vergaser, Luftfilter

Die Ersatzteil-Zeichnung für Vertikal MTD-Motoren 1 P 65 RHA als Download:
Download Ersatzteil-Zeichnung MTD-Motoren 1 P 65 RHA Zeichnung Vergaser, Luftfilter (PDF-Format)
Download Ersatzteil-Zeichnung MTD-Motoren 1 P 65 RHA Zeichnung Vergaser, Luftfilter (JPG-Format)

Sollten Sie Fragen zu einem Ersatzteil haben, können Sie uns gerne eine E-Mail (mit einem Foto vom Typenschild Ihres Gerätes) schreiben oder eine Ersatzteilanfrage stellen.

Ersatzteile für Vertikal MTD-Motoren 1 P 65 RHA aus der Zeichnung Vergaser, Luftfilter:
Artikel 1 - 4 von 4

74,36 € *
Lieferzeit: 2 - 10 Werktage
16,03 € *
Lieferzeit: 2 - 10 Werktage
25,48 € *
Lieferzeit: 2 - 10 Werktage
8,20 € *
Lieferzeit: 2 - 10 Werktage

Artikel 1 - 4 von 4