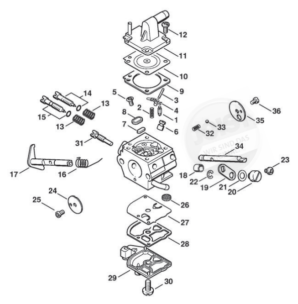
Vergaser C1Q-S35 (19.98)

Zeichnung Stihl Motorsensen und Freischneider FS 200 R:

Zeichnung 1

Sollten Sie Fragen zu einem Ersatzteil haben, können Sie uns gerne eine Ersatzteilanfrage stellen.

Hier finden Sie alle Ersatzteile von Stihl Motorsensen und Freischneider FS 200 R der Zeichnungsgruppe Vergaser C1Q-S35 (19.98):
Artikel 1 - 10 von 36