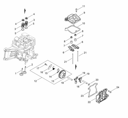
Ventile, Nockenwelle

Zeichnung von shindaiwa Motorsensen Kreiselscheren C360TPRS-230 Ventile, Nockenwelle:

Klicken Sie auf diese Zeichnung

Sollten Sie Fragen zu einem Ersatzteil haben, können Sie uns gerne eine Ersatzteilanfrage stellen.

Hier finden Sie alle Ersatzteile von shindaiwa Motorsensen Kreiselscheren C360TPRS-230:
Artikel 1 - 11 von 11


Artikel 1 - 11 von 11