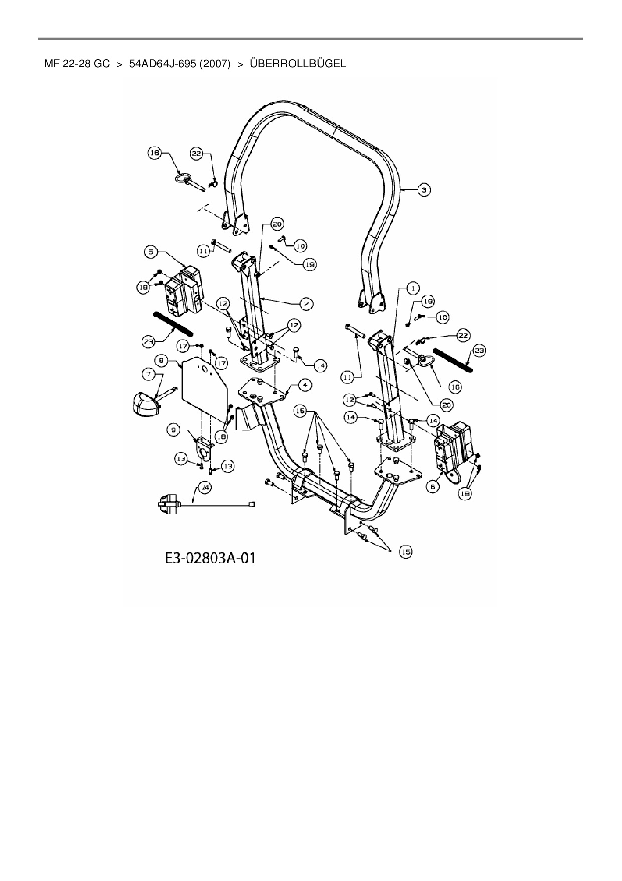
Überrollbügel

Zeichnung für Massey Ferguson Kompakttraktor MF 22-28 GC mit der Geräte-Artikelnr. 54AD64J-695 ab Baujahr 2007:

Zeichnung Überrollbügel

Die Ersatzteil-Zeichnung für Kompakttraktor Massey Ferguson MF 22-28 GC als Download:
Download Ersatzteil-Zeichnung Massey Ferguson MF 22-28 GC Zeichnung Überrollbügel (PDF-Format)
Download Ersatzteil-Zeichnung Massey Ferguson MF 22-28 GC Zeichnung Überrollbügel (JPG-Format)

Sollten Sie Fragen zu einem Ersatzteil haben, können Sie uns gerne eine E-Mail (mit einem Foto vom Typenschild Ihres Gerätes) schreiben oder eine Ersatzteilanfrage stellen.

Ersatzteile für Kompakttraktor Massey Ferguson MF 22-28 GC aus der Zeichnung Überrollbügel:
Artikel 1 - 10 von 13


Artikel 1 - 10 von 13