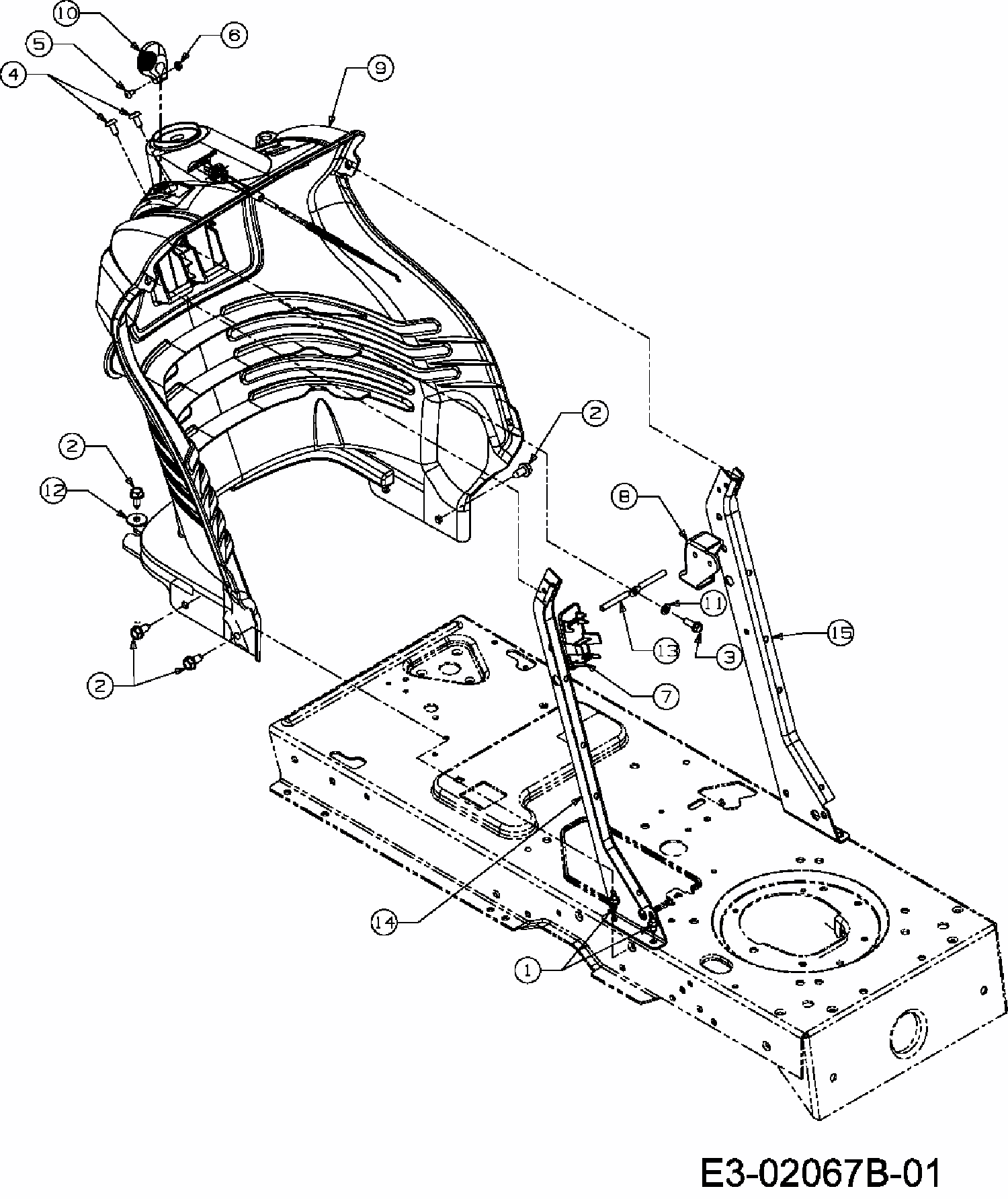
Trittbrettbelag

Ersatzteile für Helington Rasentraktoren H 92 HB mit der Gerätenr. 13IM71KE686 (2019)

Zeichnung

Sollten Sie Fragen zu einem Ersatzteil vom Helington Rasentraktoren H 92 HB haben, können Sie uns gerne eine E-Mail (mit einem Foto vom Typenschild Ihres Gerätes) schreiben oder eine Ersatzteilanfrage stellen.

Folgende Ersatzteile für Helington Rasentraktoren H 92 HB für Gerätenr. 13IM71KE686 (2019) der Zeichnungsgruppe Trittbrettbelag können Sie hier bestellen:
Artikel 1 - 2 von 2

12,05 € *
Lieferzeit: 2 - 10 Werktage
12,05 € *
Lieferzeit: 2 - 10 Werktage

Artikel 1 - 2 von 2