Trimmer / Sense ERT 200 ( 3401120 )

Ersatzteile für Einhell Royal Trimmer / Sense ERT 200 ( 3401120 )

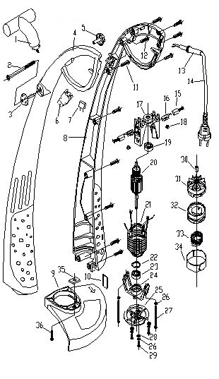
Zeichnung

Sollten Sie Fragen zu einem Ersatzteil vom Einhell Royal Trimmer / Sense ERT 200 ( 3401120 ) haben, können Sie uns gerne eine E-Mail (mit einem Foto vom Typenschild Ihres Gerätes) schreiben oder eine Ersatzteilanfrage stellen.

Folgende Ersatzteile für Einhell Royal Trimmer / Sense ERT 200 ( 3401120 ) können Sie hier bestellen:
Artikel 1 - 10 von 33