Transmission + Wheel Suspension

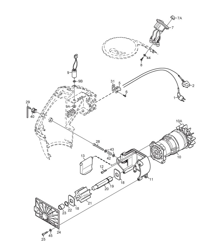
Zeichnung von Castelgarden Elektro Häcksler XBL 250 H (17-2672-62) ab 2006:

Klicken Sie auf diese Zeichnung

Sollten Sie Fragen zu einem Ersatzteil haben, können Sie uns gerne eine Ersatzteilanfrage stellen.

Hier finden Sie alle Ersatzteile von Castelgarden Elektro Häcksler XBL 250 H (17-2672-62) ab 2006 aus der Zeichnung Transmission + Wheel Suspension:
Artikel 1 - 9 von 9


Artikel 1 - 9 von 9