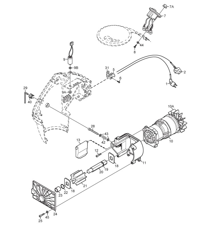
Transmission + Wheel Suspension

Zeichnung von Castelgarden Elektro Häcksler BIO POWER (17-2671-92) ab 2006:

Klicken Sie auf diese Zeichnung

Sollten Sie Fragen zu einem Ersatzteil haben, können Sie uns gerne eine Ersatzteilanfrage stellen.

Hier finden Sie alle Ersatzteile von Castelgarden Elektro Häcksler BIO POWER (17-2671-92) ab 2006 aus der Zeichnung Transmission + Wheel Suspension:
Artikel 1 - 9 von 9


Artikel 1 - 9 von 9