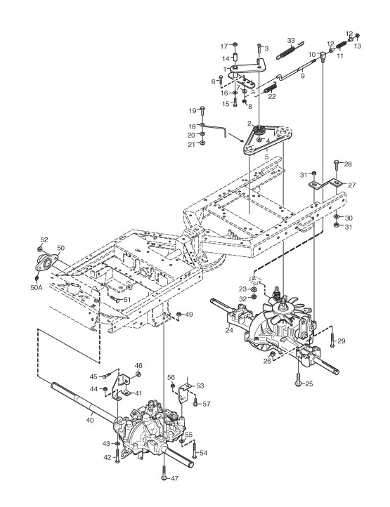
Transmission 4WD (1)

Zeichnung von Castelgarden Park Compact XK4 160 HD /RU (13-6104-89) ab 2008:

Klicken Sie auf diese Zeichnung

Sollten Sie Fragen zu einem Ersatzteil haben, können Sie uns gerne eine Ersatzteilanfrage stellen.

Hier finden Sie alle Ersatzteile von Castelgarden Park Compact XK4 160 HD /RU (13-6104-89) ab 2008 aus der Zeichnung Transmission 4WD (1):
Artikel 1 - 20 von 45


Artikel 1 - 20 von 45