TKH/TK/TKU

Ersatzteile für Scheppach Tischkreissäge TKU (Gerätenr. 52670909) - TKH/TK/TKU

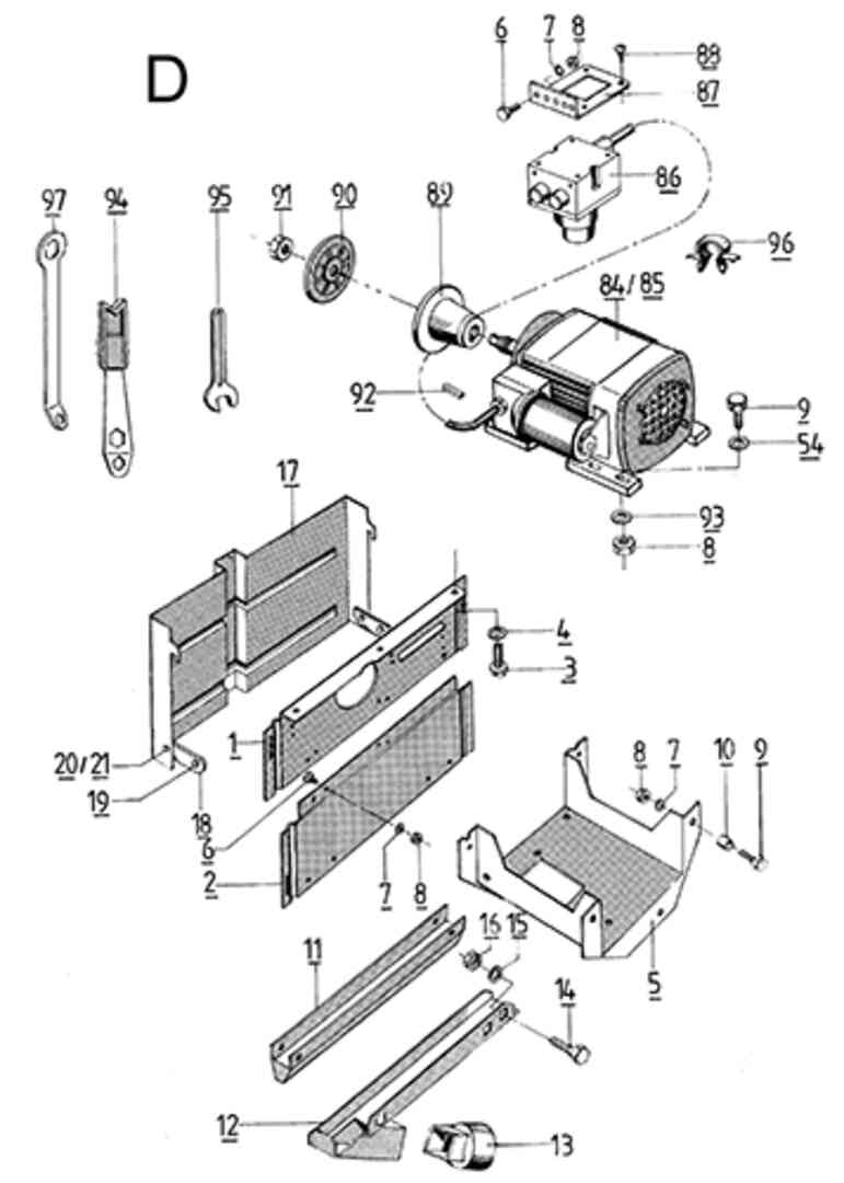
Zeichnung 01
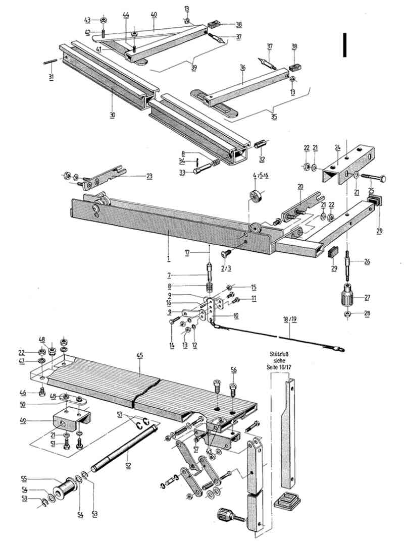
Zeichnung 02
Zeichnung 03
Zeichnung 04
Zeichnung 05
Zeichnung 06
Zeichnung 07
Zeichnung 08
Zeichnung 09
Zeichnung 10
Zeichnung 11
Zeichnung 12
Zeichnung 13

Sollten Sie Fragen zu einem Ersatzteil für Scheppach Tischkreissäge TKU (Gerätenr. 52670909) haben, können Sie uns gerne eine E-Mail (mit einem Foto vom Typenschild Ihres Gerätes) schreiben oder eine Ersatzteilanfrage stellen.

Folgende Ersatzteile für Scheppach Tischkreissäge TKU (Gerätenr. 52670909) können Sie hier bestellen:
Artikel 1 - 20 von 515