T17-103.8 (119901)

Zeichnung AL-KO Rasentraktor T17-103.8 (119901) :

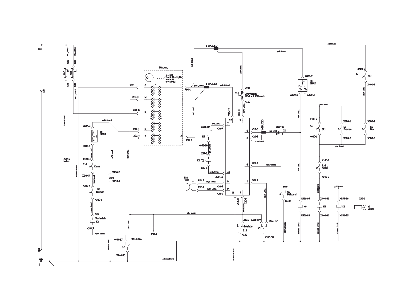
Zeichnung 1
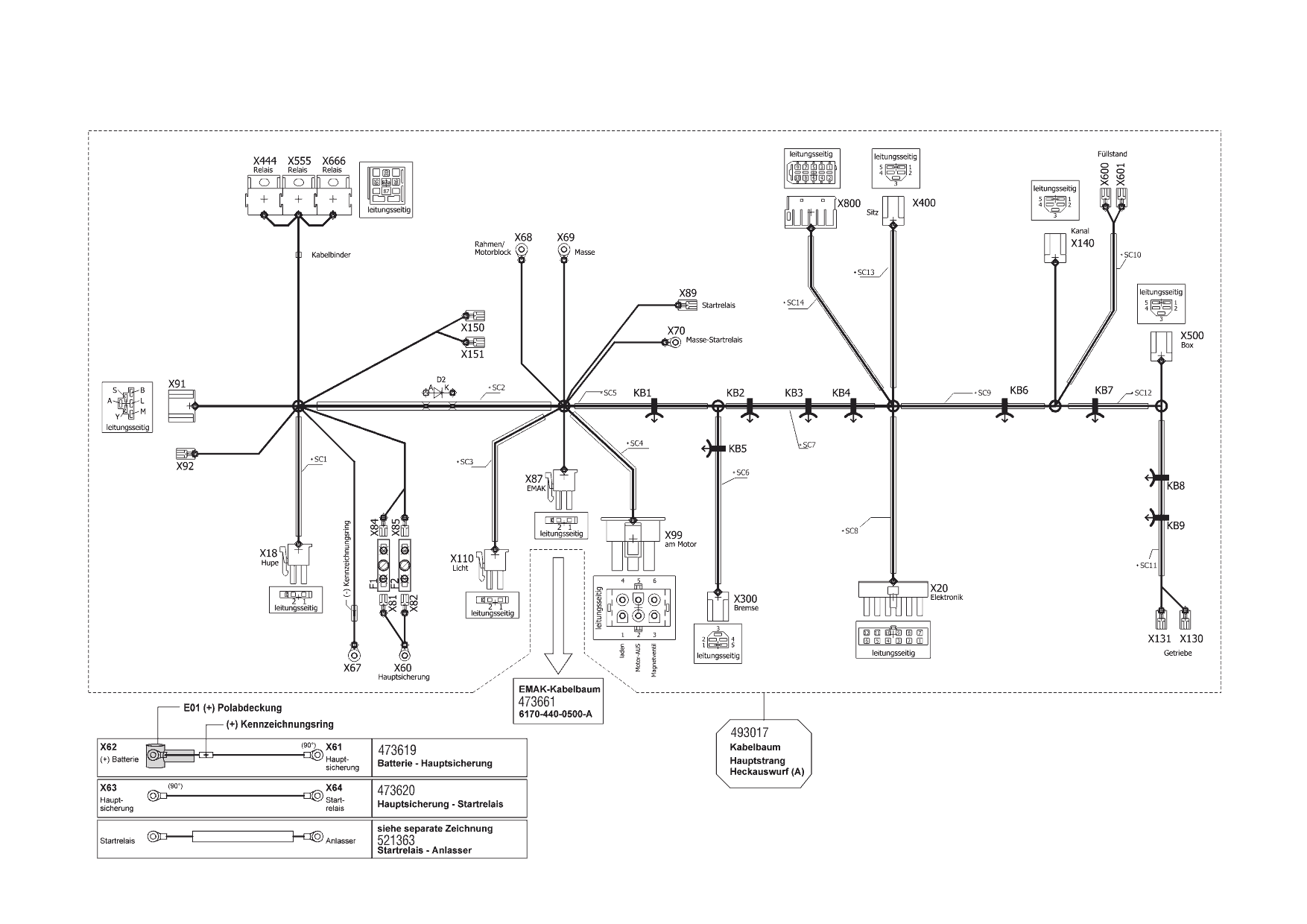
Zeichnung 2
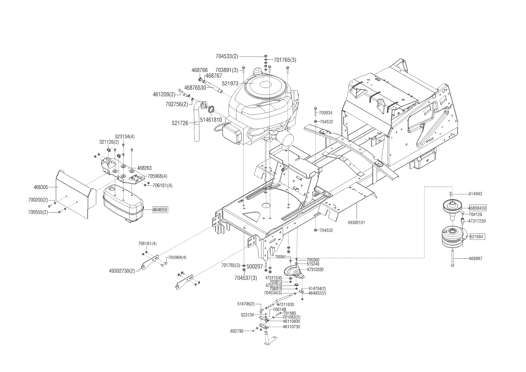
Zeichnung 2
Zeichnung 2
Zeichnung 2
Zeichnung 2
Zeichnung 2
Zeichnung 2
Zeichnung 2
Zeichnung 2
Zeichnung 2

Sollten Sie Fragen zu einem Ersatzteil haben, können Sie uns gerne eine Ersatzteilanfrage stellen.

Hier finden Sie alle Ersatzteile für AL-KO Rasentraktor T17-103.8 (119901) :

Artikel 1 - 40 von 355