T17-102 HD SUPER HVC (119643)

Zeichnung AL-KO Rasentraktor T17-102 HD SUPER HVC (119643) :

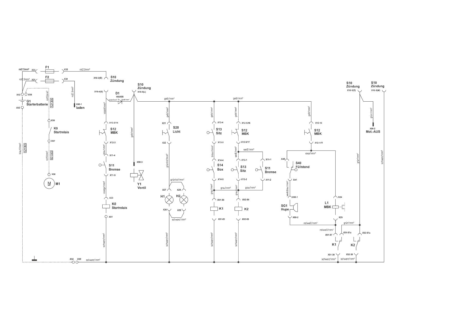
Zeichnung 1
Zeichnung 2
Zeichnung 2
Zeichnung 2
Zeichnung 2
Zeichnung 2
Zeichnung 2
Zeichnung 2
Zeichnung 2

Sollten Sie Fragen zu einem Ersatzteil haben, können Sie uns gerne eine Ersatzteilanfrage stellen.

Hier finden Sie alle Ersatzteile für AL-KO Rasentraktor T17-102 HD SUPER HVC (119643) :

Artikel 1 - 10 von 360