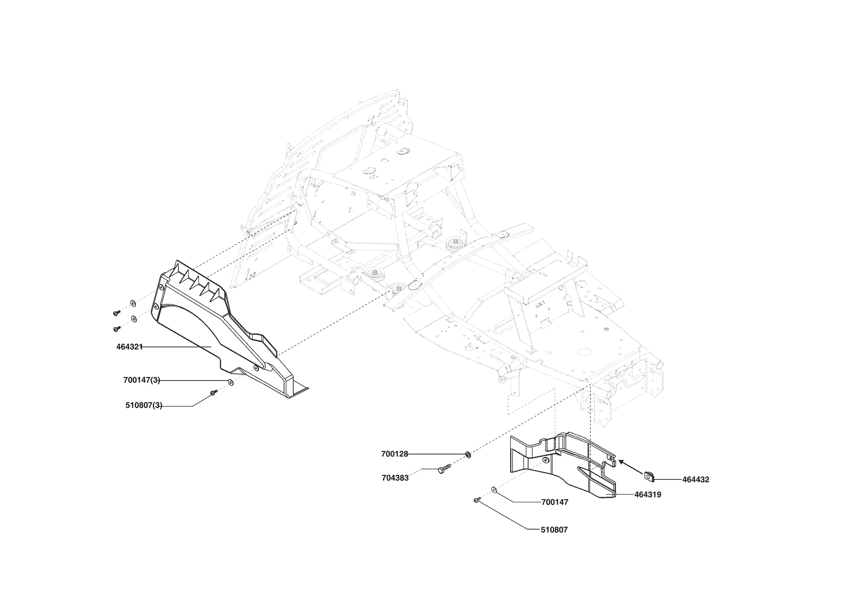
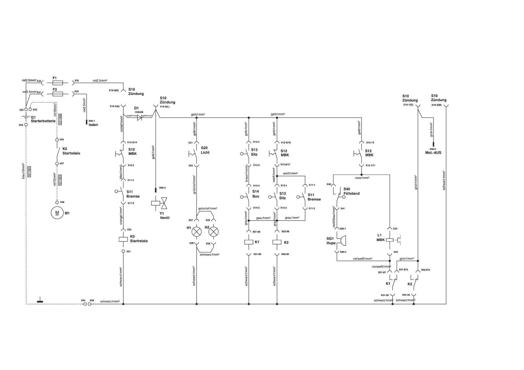
T13-92 HD EDITION (119360)

Zeichnungen von Powerline Rasentraktor T13-92 HD EDITION mit der Geräte-Artikelnr. 119360:

Zeichnung 1
Zeichnung 2
Zeichnung 3
Zeichnung 4
Zeichnung 5
Zeichnung 6
Zeichnung 7
Zeichnung 8
Zeichnung 9
Zeichnung 10
Zeichnung 11

Nicht alle Ersatzteile von Powerline Rasentraktor T13-92 HD EDITION (119360) sind immer lieferbar/vorrätig.
Sollten Sie Fragen zu einem Ersatzteil haben, können Sie uns gerne Mail schreiben oder eine Ersatzteilanfrage stellen.
Ersatzteile von Rasentraktor T13-92 HD EDITION:
Artikel 1 - 30 von 390