T103-15 H CROSSOVER (119962)

Zeichnung Brill Rasentraktor T103-15 H CROSSOVER (119962) :

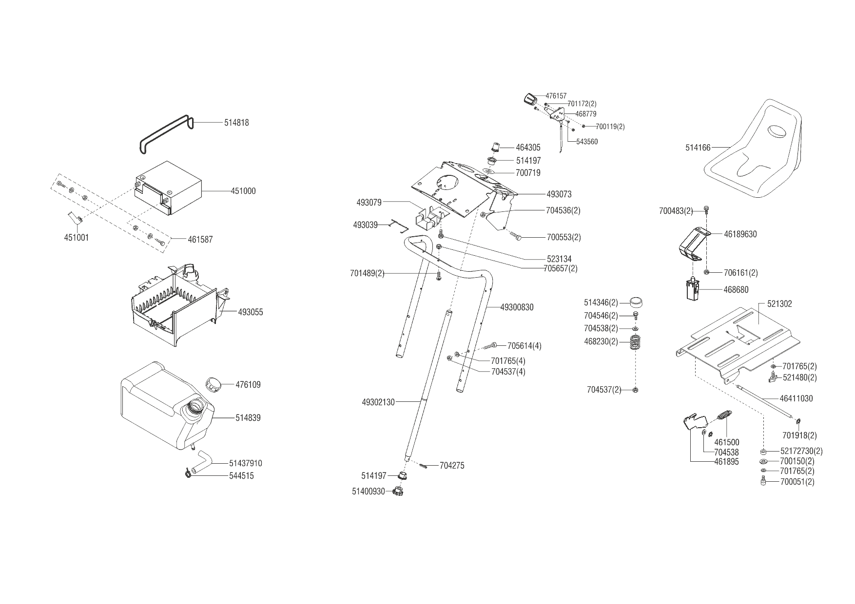
Zeichnung 1
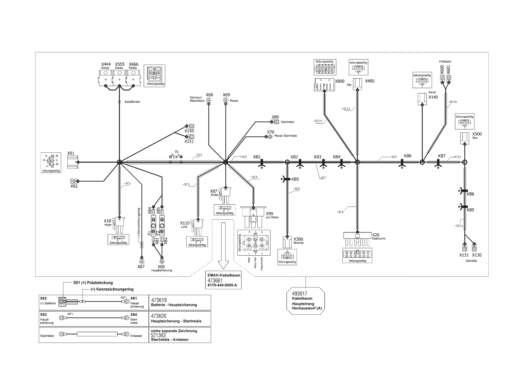
Zeichnung 2
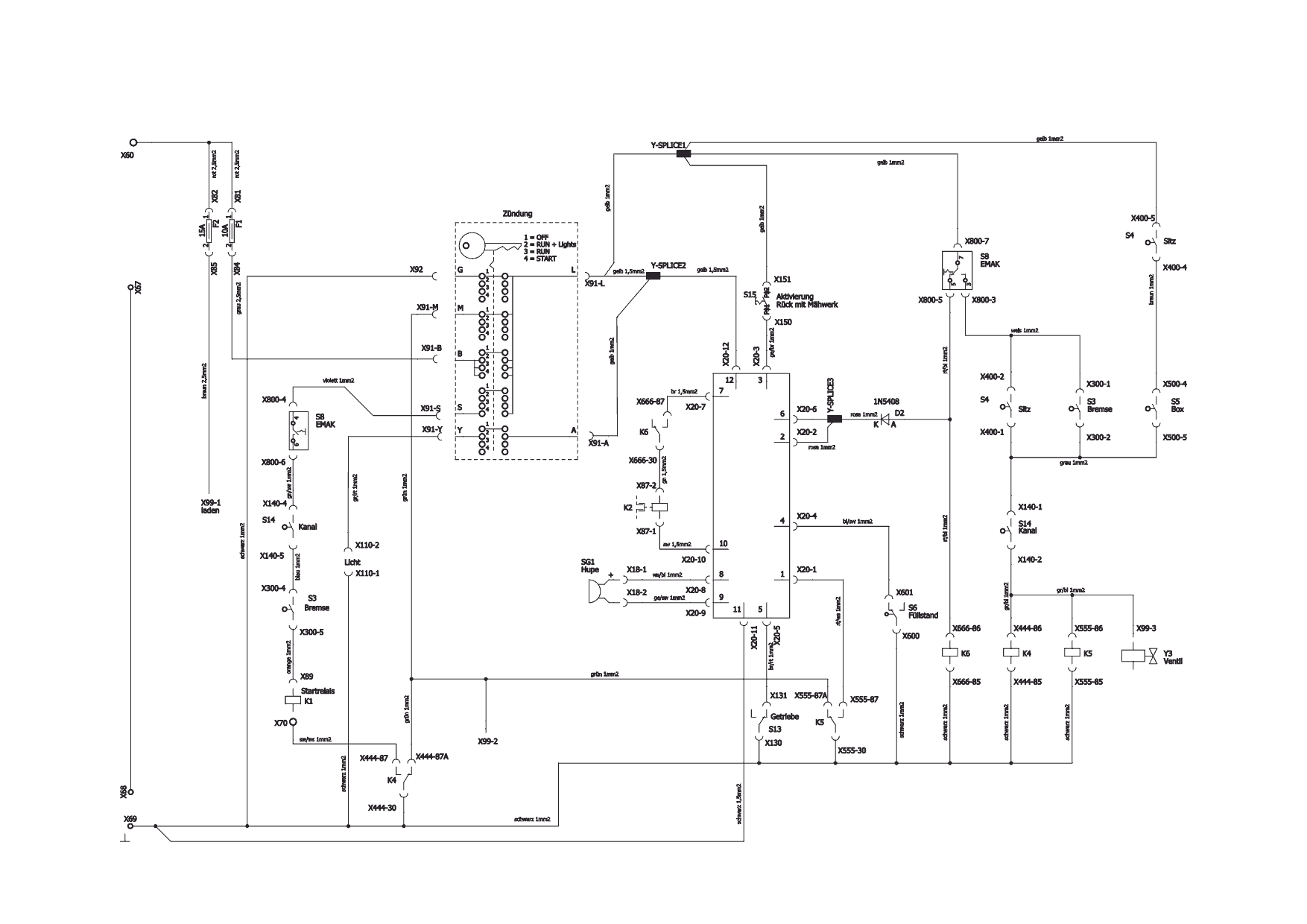
Zeichnung 2
Zeichnung 2
Zeichnung 2
Zeichnung 2
Zeichnung 2
Zeichnung 2
Zeichnung 2
Zeichnung 2
Zeichnung 2

Sollten Sie Fragen zu einem Ersatzteil haben, können Sie uns gerne eine Ersatzteilanfrage stellen.

Hier finden Sie alle Ersatzteile für Brill Rasentraktor T103-15 H CROSSOVER (119962) :

Artikel 21 - 30 von 360