Stirnwand

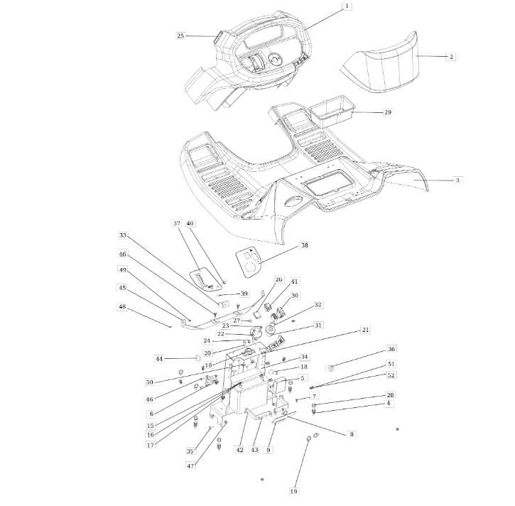
Zeichnung Oleo-Mac Rasentraktor OM 106/16 KH (K1600AVD) Cat. 2018:

Zeichnung 1

Sollten Sie Fragen zu einem Ersatzteil haben, können Sie uns gerne eine Ersatzteilanfrage stellen.

Hier finden Sie alle Ersatzteile für Oleo-Mac Rasentraktor OM 106/16 KH (K1600AVD) Cat. 2018 aus der Zeichnung für Stirnwand:
Artikel 1 - 20 von 34


Artikel 1 - 20 von 34