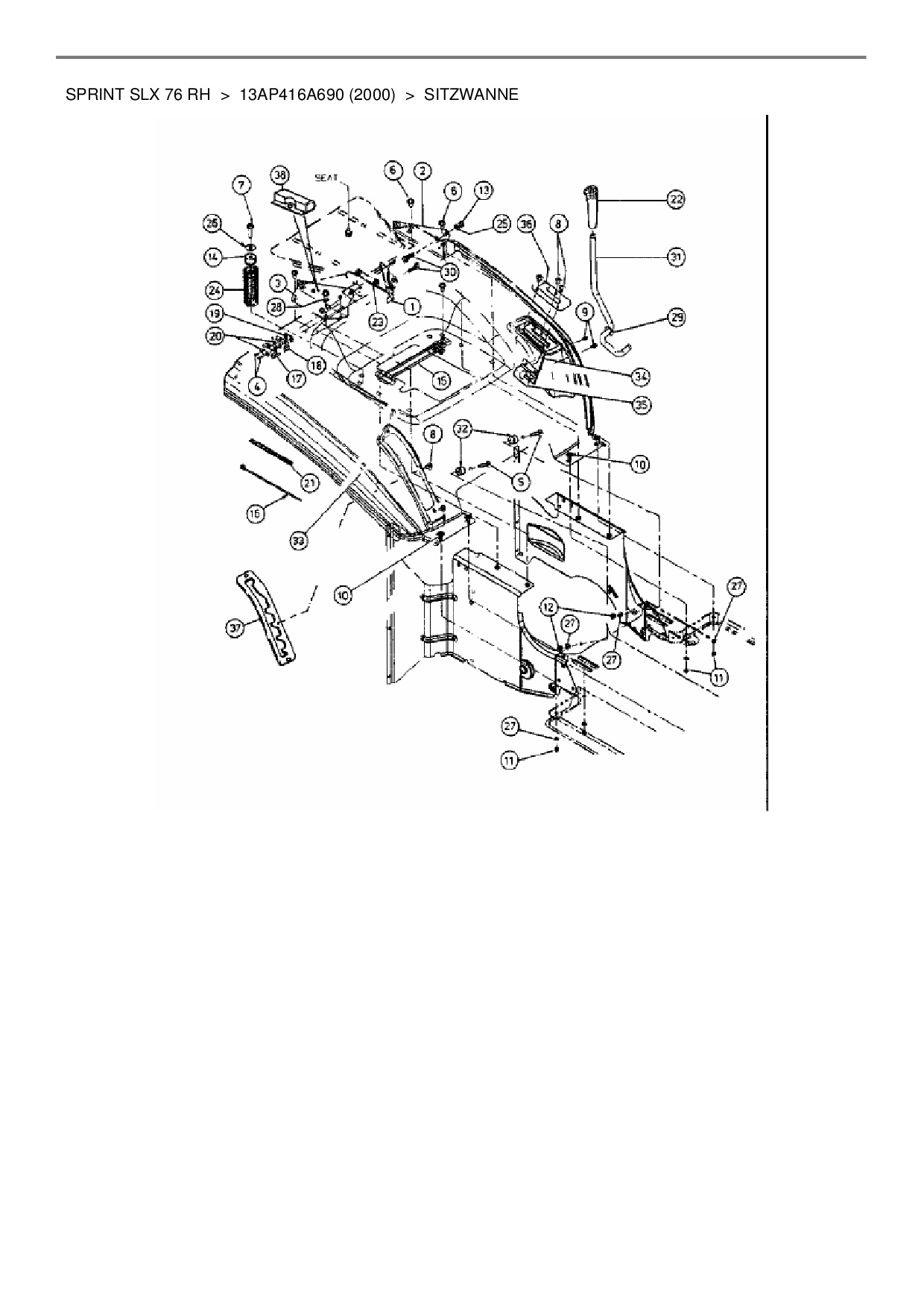
Sitzwanne

Zeichnung für Gutbrod Rasentraktor Sprint SLX 76 RH mit der Geräte-Artikelnr. 13AP416A690 ab Baujahr 2000:

Zeichnung Sitzwanne

Die Ersatzteil-Zeichnung für Rasentraktor Gutbrod Sprint SLX 76 RH als Download:
Download Ersatzteil-Zeichnung Gutbrod Sprint SLX 76 RH Zeichnung Sitzwanne (PDF-Format)
Download Ersatzteil-Zeichnung Gutbrod Sprint SLX 76 RH Zeichnung Sitzwanne (JPG-Format)

Sollten Sie Fragen zu einem Ersatzteil haben, können Sie uns gerne eine E-Mail (mit einem Foto vom Typenschild Ihres Gerätes) schreiben oder eine Ersatzteilanfrage stellen.

Ersatzteile für Rasentraktor Gutbrod Sprint SLX 76 RH aus der Zeichnung Sitzwanne:
Artikel 1 - 20 von 32

10,91 € *
Lieferzeit: 2 - 10 Werktage
4,51 € *
Lieferzeit: 2 - 10 Werktage
4,88 € *
Lieferzeit: 2 - 10 Werktage
4,88 € *
Lieferzeit: 2 - 10 Werktage
4,88 € *
Lieferzeit: 2 - 10 Werktage
27,10 € *
Lieferzeit: 2 - 10 Werktage
4,88 € *
Lieferzeit: 2 - 10 Werktage
10,40 € *
Lieferzeit: 2 - 10 Werktage
4,88 € *
Lieferzeit: 2 - 10 Werktage

Artikel 1 - 20 von 32