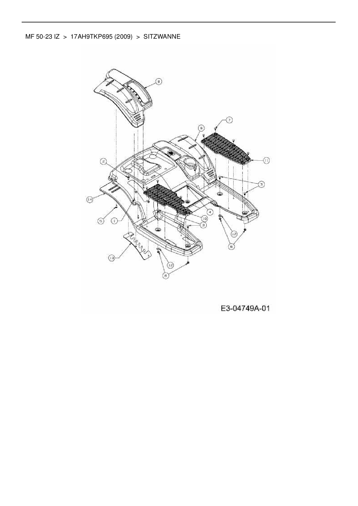
Sitzwanne

Zeichnung für Massey Ferguson Zero Turn MF 50-23 IZ mit der Geräte-Artikelnr. 17AH9TKP695 ab Baujahr 2009:

Zeichnung Sitzwanne

Die Ersatzteil-Zeichnung für Zero Turn Massey Ferguson MF 50-23 IZ als Download:
Download Ersatzteil-Zeichnung Massey Ferguson MF 50-23 IZ Zeichnung Sitzwanne (PDF-Format)
Download Ersatzteil-Zeichnung Massey Ferguson MF 50-23 IZ Zeichnung Sitzwanne (JPG-Format)

Sollten Sie Fragen zu einem Ersatzteil haben, können Sie uns gerne eine E-Mail (mit einem Foto vom Typenschild Ihres Gerätes) schreiben oder eine Ersatzteilanfrage stellen.

Ersatzteile für Zero Turn Massey Ferguson MF 50-23 IZ aus der Zeichnung Sitzwanne:
Artikel 1 - 11 von 11

5,88 € *
Lieferzeit: 2 - 10 Werktage
36,30 € *
Lieferzeit: 2 - 10 Werktage

Artikel 1 - 11 von 11