Sitzwanne

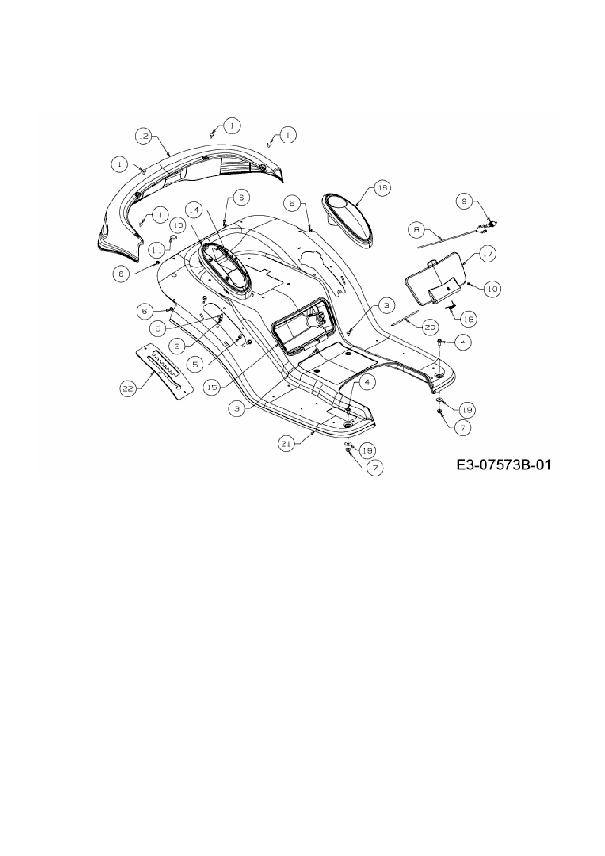
Zeichnung für Massey Ferguson Rasentraktor MF 36-22 HG mit der Geräte-Artikelnr. 13HP91GI695 ab Baujahr 2015:

Zeichnung Sitzwanne

Die Ersatzteil-Zeichnung für Rasentraktor Massey Ferguson MF 36-22 HG als Download:
Download Ersatzteil-Zeichnung Massey Ferguson MF 36-22 HG Zeichnung Sitzwanne (PDF-Format)
Download Ersatzteil-Zeichnung Massey Ferguson MF 36-22 HG Zeichnung Sitzwanne (JPG-Format)

Sollten Sie Fragen zu einem Ersatzteil haben, können Sie uns gerne eine E-Mail (mit einem Foto vom Typenschild Ihres Gerätes) schreiben oder eine Ersatzteilanfrage stellen.

Ersatzteile für Rasentraktor Massey Ferguson MF 36-22 HG aus der Zeichnung Sitzwanne:
Artikel 1 - 19 von 19

70,92 € *
Lieferzeit: 2 - 10 Werktage
4,88 € *
Lieferzeit: 2 - 10 Werktage
21,98 € *
Lieferzeit: 2 - 10 Werktage
15,29 € *
Lieferzeit: 2 - 10 Werktage
5,88 € *
Lieferzeit: 2 - 10 Werktage
5,88 € *
Lieferzeit: 2 - 10 Werktage

Artikel 1 - 19 von 19