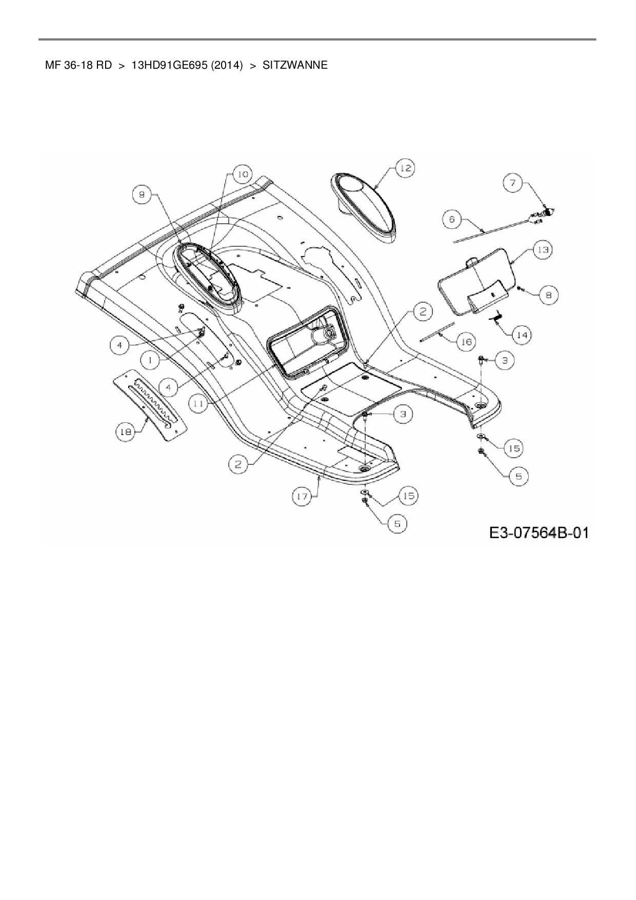
Sitzwanne

Zeichnung für Massey Ferguson Rasentraktor MF 36-18 RD mit der Geräte-Artikelnr. 13HD91GE695 ab Baujahr 2014:

Zeichnung Sitzwanne

Die Ersatzteil-Zeichnung für Rasentraktor Massey Ferguson MF 36-18 RD als Download:
Download Ersatzteil-Zeichnung Massey Ferguson MF 36-18 RD Zeichnung Sitzwanne (PDF-Format)
Download Ersatzteil-Zeichnung Massey Ferguson MF 36-18 RD Zeichnung Sitzwanne (JPG-Format)

Sollten Sie Fragen zu einem Ersatzteil haben, können Sie uns gerne eine E-Mail (mit einem Foto vom Typenschild Ihres Gerätes) schreiben oder eine Ersatzteilanfrage stellen.

Ersatzteile für Rasentraktor Massey Ferguson MF 36-18 RD aus der Zeichnung Sitzwanne:
Artikel 1 - 17 von 17

4,88 € *
Lieferzeit: 2 - 10 Werktage
21,98 € *
Lieferzeit: 2 - 10 Werktage
15,29 € *
Lieferzeit: 2 - 10 Werktage
5,88 € *
Lieferzeit: 2 - 10 Werktage
5,88 € *
Lieferzeit: 2 - 10 Werktage

Artikel 1 - 17 von 17