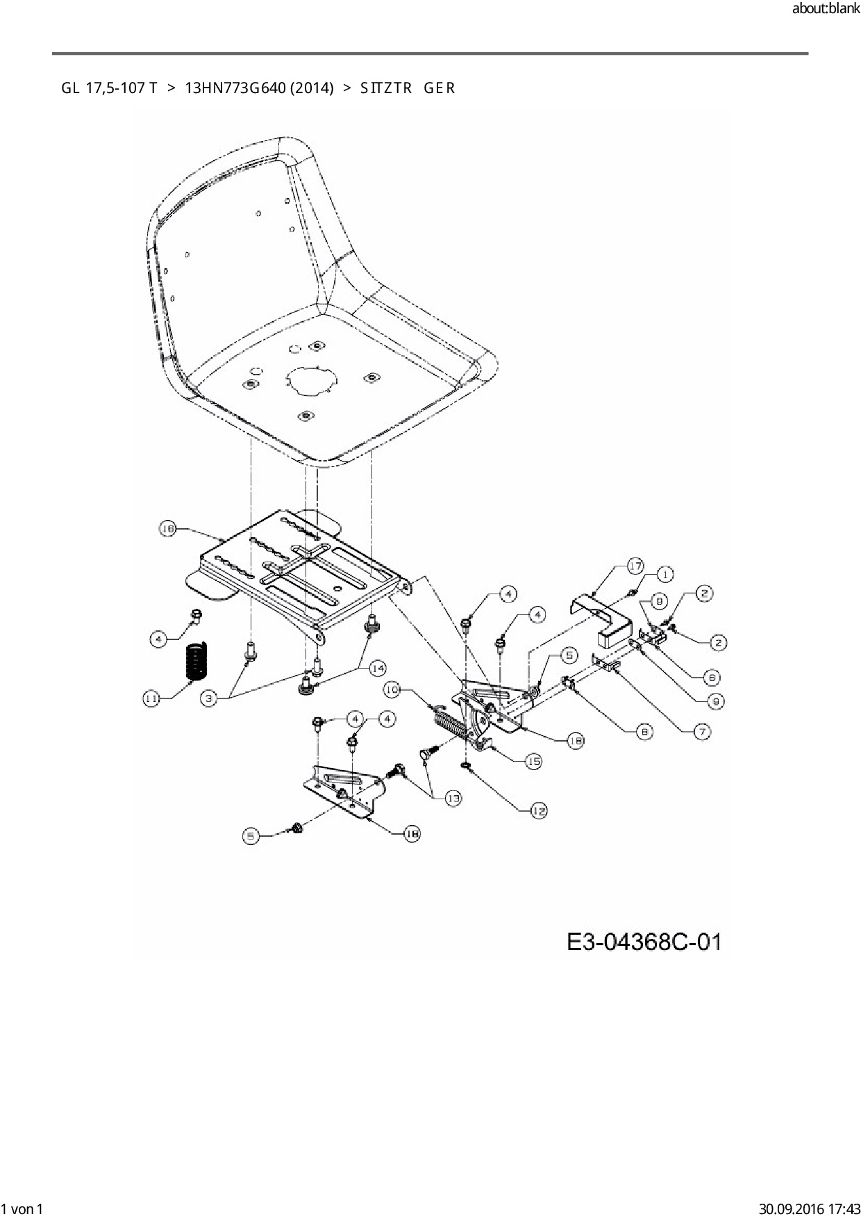
Sitzträger

Zeichnung für Gartenland Rasentraktor GL 17,5-107 T mit der Geräte-Artikelnr. 13HN773G640 ab Baujahr 2014:

Zeichnung Sitzträger

Die Ersatzteil-Zeichnung für Rasentraktor Gartenland GL 17,5-107 T als Download:
Download Ersatzteil-Zeichnung Gartenland GL 17,5-107 T Zeichnung Sitzträger (PDF-Format)
Download Ersatzteil-Zeichnung Gartenland GL 17,5-107 T Zeichnung Sitzträger (JPG-Format)

Sollten Sie Fragen zu einem Ersatzteil haben, können Sie uns gerne eine E-Mail (mit einem Foto vom Typenschild Ihres Gerätes) schreiben oder eine Ersatzteilanfrage stellen.

Ersatzteile für Rasentraktor Gartenland GL 17,5-107 T aus der Zeichnung Sitzträger:
Artikel 1 - 10 von 18


Artikel 1 - 10 von 18