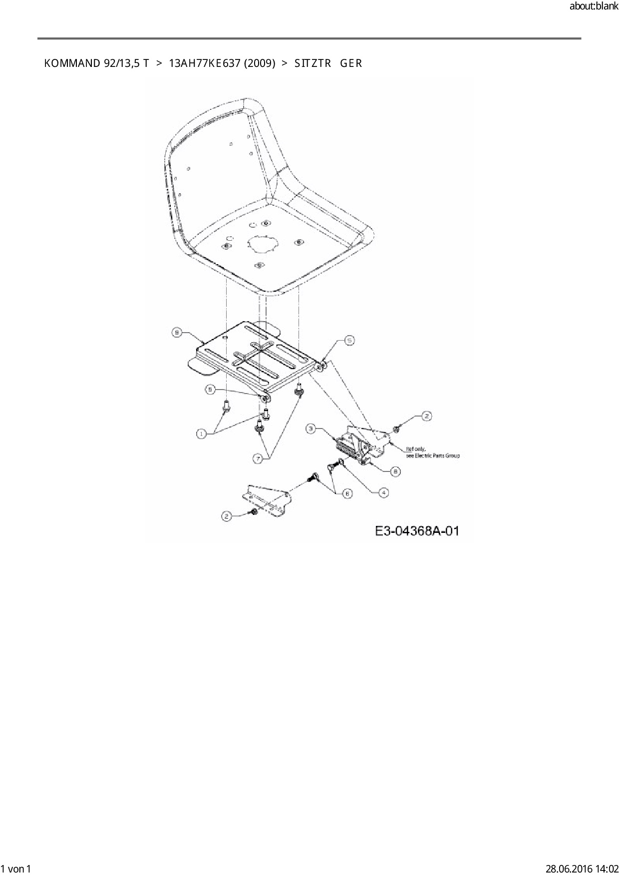
Sitzträger

Zeichnung für EFCO Rasentraktor Kommand 92/13,5 T mit der Geräte-Artikelnr. 13AH77KE637 ab Baujahr 2009:

Zeichnung Sitzträger

Die Ersatzteil-Zeichnung für Rasentraktor EFCO Kommand 92/13,5 T als Download:
Download Ersatzteil-Zeichnung EFCO Kommand 92/13,5 T Zeichnung Sitzträger (PDF-Format)
Download Ersatzteil-Zeichnung EFCO Kommand 92/13,5 T Zeichnung Sitzträger (JPG-Format)

Sollten Sie Fragen zu einem Ersatzteil haben, können Sie uns gerne eine E-Mail (mit einem Foto vom Typenschild Ihres Gerätes) schreiben oder eine Ersatzteilanfrage stellen.

Ersatzteile für Rasentraktor EFCO Kommand 92/13,5 T aus der Zeichnung Sitzträger:
Artikel 1 - 9 von 9


Artikel 1 - 9 von 9