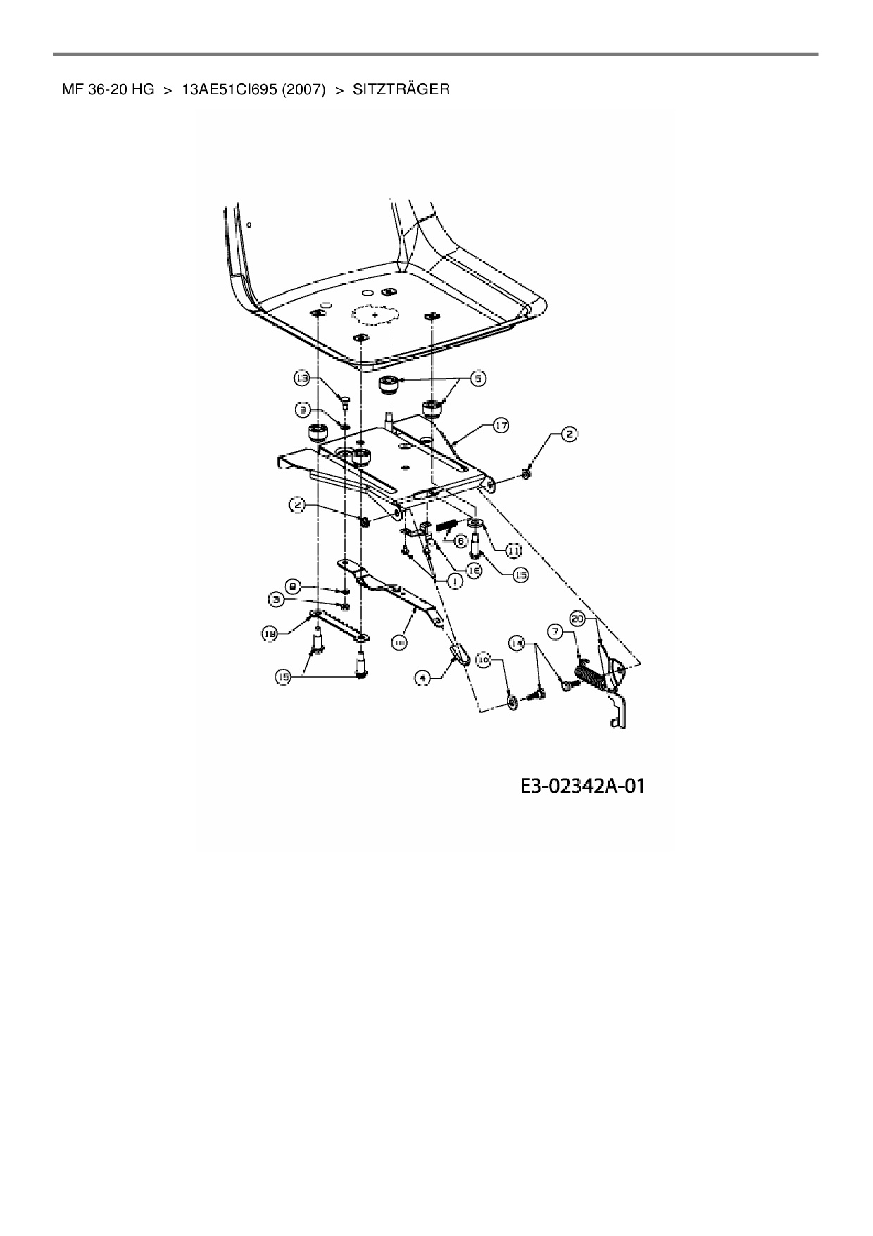
Sitzträger

Zeichnung für Massey Ferguson Rasentraktor MF 36-20 HG mit der Geräte-Artikelnr. 13AE51CI695 ab Baujahr 2007:

Zeichnung Sitzträger

Die Ersatzteil-Zeichnung für Rasentraktor Massey Ferguson MF 36-20 HG als Download:
Download Ersatzteil-Zeichnung Massey Ferguson MF 36-20 HG Zeichnung Sitzträger (PDF-Format)
Download Ersatzteil-Zeichnung Massey Ferguson MF 36-20 HG Zeichnung Sitzträger (JPG-Format)

Sollten Sie Fragen zu einem Ersatzteil haben, können Sie uns gerne eine E-Mail (mit einem Foto vom Typenschild Ihres Gerätes) schreiben oder eine Ersatzteilanfrage stellen.

Ersatzteile für Rasentraktor Massey Ferguson MF 36-20 HG aus der Zeichnung Sitzträger:
Artikel 1 - 16 von 16

5,88 € *
Lieferzeit: 2 - 10 Werktage

Artikel 1 - 16 von 16