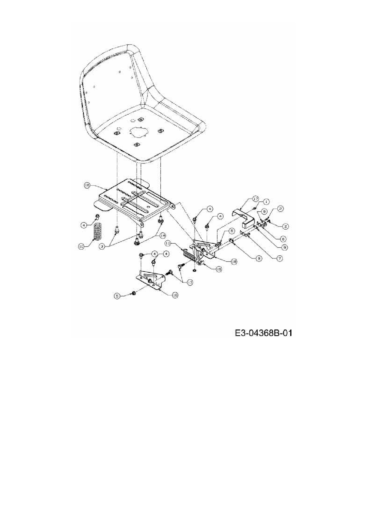
Sitzträger

Zeichnung für Wolf-Garten Rasentraktor Select 76.125 T mit der Geräte-Artikelnr. 13AH76RA650 ab Baujahr 2013:

Zeichnung Sitzträger

Die Ersatzteil-Zeichnung für Rasentraktor Wolf-Garten Select 76.125 T als Download:
Download Ersatzteil-Zeichnung Wolf-Garten Select 76.125 T Zeichnung Sitzträger (PDF-Format)
Download Ersatzteil-Zeichnung Wolf-Garten Select 76.125 T Zeichnung Sitzträger (JPG-Format)

Sollten Sie Fragen zu einem Ersatzteil haben, können Sie uns gerne eine E-Mail (mit einem Foto vom Typenschild Ihres Gerätes) schreiben oder eine Ersatzteilanfrage stellen.

Ersatzteile für Rasentraktor Wolf-Garten Select 76.125 T aus der Zeichnung Sitzträger:
Artikel 1 - 18 von 18

4,88 € *
Lieferzeit: 2 - 10 Werktage
10,40 € *
Lieferzeit: 2 - 10 Werktage
4,88 € *
Lieferzeit: 2 - 10 Werktage
5,88 € *
Lieferzeit: 2 - 10 Werktage
15,52 € *
Lieferzeit: 2 - 10 Werktage

Artikel 1 - 18 von 18