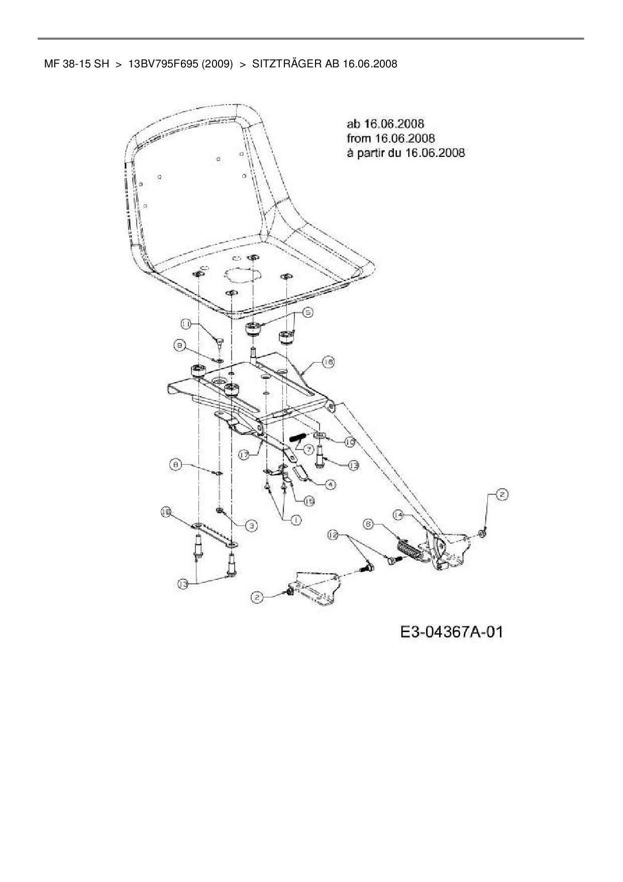
Sitzträger ab 16.06.2008

Zeichnung für Massey Ferguson Rasentraktor MF 38-15 SH mit der Geräte-Artikelnr. 13BV795F695 ab Baujahr 2009:

Zeichnung Sitzträger ab 16.06.2008

Die Ersatzteil-Zeichnung für Rasentraktor Massey Ferguson MF 38-15 SH als Download:
Download Ersatzteil-Zeichnung Massey Ferguson MF 38-15 SH Zeichnung Sitzträger ab 16.06.2008 (PDF-Format)
Download Ersatzteil-Zeichnung Massey Ferguson MF 38-15 SH Zeichnung Sitzträger ab 16.06.2008 (JPG-Format)

Sollten Sie Fragen zu einem Ersatzteil haben, können Sie uns gerne eine E-Mail (mit einem Foto vom Typenschild Ihres Gerätes) schreiben oder eine Ersatzteilanfrage stellen.

Ersatzteile für Rasentraktor Massey Ferguson MF 38-15 SH aus der Zeichnung Sitzträger ab 16.06.2008:
Artikel 1 - 15 von 15

5,88 € *
Lieferzeit: 2 - 10 Werktage

Artikel 1 - 15 von 15