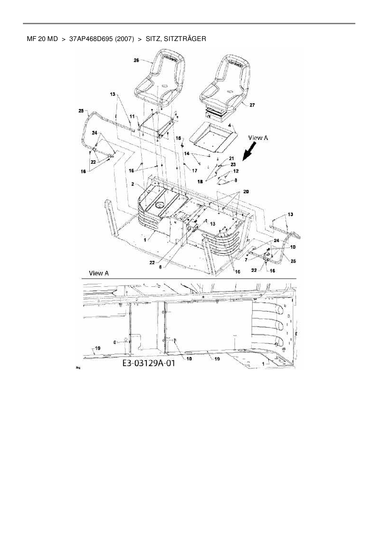
Sitz, Sitzträger

Zeichnung für Massey Ferguson Utility Vehicle MF 20 MD mit der Geräte-Artikelnr. 37AP468D695 ab Baujahr 2007:

Zeichnung Sitz, Sitzträger

Die Ersatzteil-Zeichnung für Utility Vehicle Massey Ferguson MF 20 MD als Download:
Download Ersatzteil-Zeichnung Massey Ferguson MF 20 MD Zeichnung Sitz, Sitzträger (PDF-Format)
Download Ersatzteil-Zeichnung Massey Ferguson MF 20 MD Zeichnung Sitz, Sitzträger (JPG-Format)

Sollten Sie Fragen zu einem Ersatzteil haben, können Sie uns gerne eine E-Mail (mit einem Foto vom Typenschild Ihres Gerätes) schreiben oder eine Ersatzteilanfrage stellen.

Ersatzteile für Utility Vehicle Massey Ferguson MF 20 MD aus der Zeichnung Sitz, Sitzträger:
Artikel 1 - 20 von 25

273,76 € *
Lieferzeit: 2 - 10 Werktage
84,92 € *
Lieferzeit: 2 - 10 Werktage
215,42 € *
Lieferzeit: 2 - 10 Werktage
98,08 € *
Lieferzeit: 2 - 10 Werktage
65,88 € *
Lieferzeit: 2 - 10 Werktage
22,92 € *
Lieferzeit: 2 - 10 Werktage
22,92 € *
Lieferzeit: 2 - 10 Werktage
20,08 € *
Lieferzeit: 2 - 10 Werktage

Artikel 1 - 20 von 25