Short Block

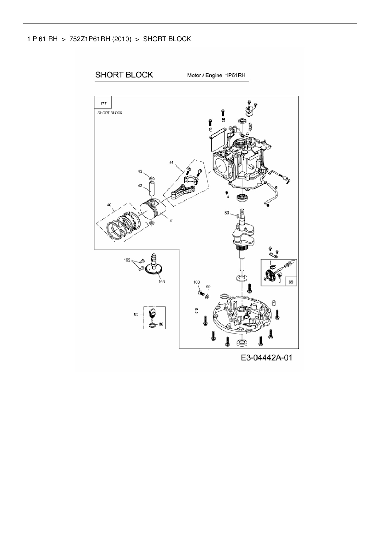
Zeichnung für Wolf-Garten Benzinmotor MTD 1 P 61 RH mit der Geräte-Artikelnr. 752Z1P61RH ab Baujahr 2010:

Zeichnung Short Block

Die Ersatzteil-Zeichnung für Benzinmotor MTD Wolf-Garten 1 P 61 RH als Download:
Download Ersatzteil-Zeichnung Wolf-Garten 1 P 61 RH Zeichnung Short Block (PDF-Format)
Download Ersatzteil-Zeichnung Wolf-Garten 1 P 61 RH Zeichnung Short Block (JPG-Format)

Sollten Sie Fragen zu einem Ersatzteil haben, können Sie uns gerne eine E-Mail (mit einem Foto vom Typenschild Ihres Gerätes) schreiben oder eine Ersatzteilanfrage stellen.

Ersatzteile für Benzinmotor MTD Wolf-Garten 1 P 61 RH aus der Zeichnung Short Block:
Artikel 1 - 13 von 13

13,88 € *
Lieferzeit: 2 - 10 Werktage
24,78 € *
Lieferzeit: 2 - 10 Werktage
6,88 € *
Lieferzeit: 2 - 10 Werktage
4,51 € *
Lieferzeit: 2 - 10 Werktage
20,88 € *
Lieferzeit: 2 - 10 Werktage
6,88 € *
Lieferzeit: 2 - 10 Werktage
11,88 € *
Lieferzeit: 2 - 10 Werktage
5,88 € *
Lieferzeit: 2 - 10 Werktage
11,88 € *
Lieferzeit: 2 - 10 Werktage
5,88 € *
Lieferzeit: 2 - 10 Werktage
26,96 € *
Lieferzeit: 2 - 10 Werktage

Artikel 1 - 13 von 13