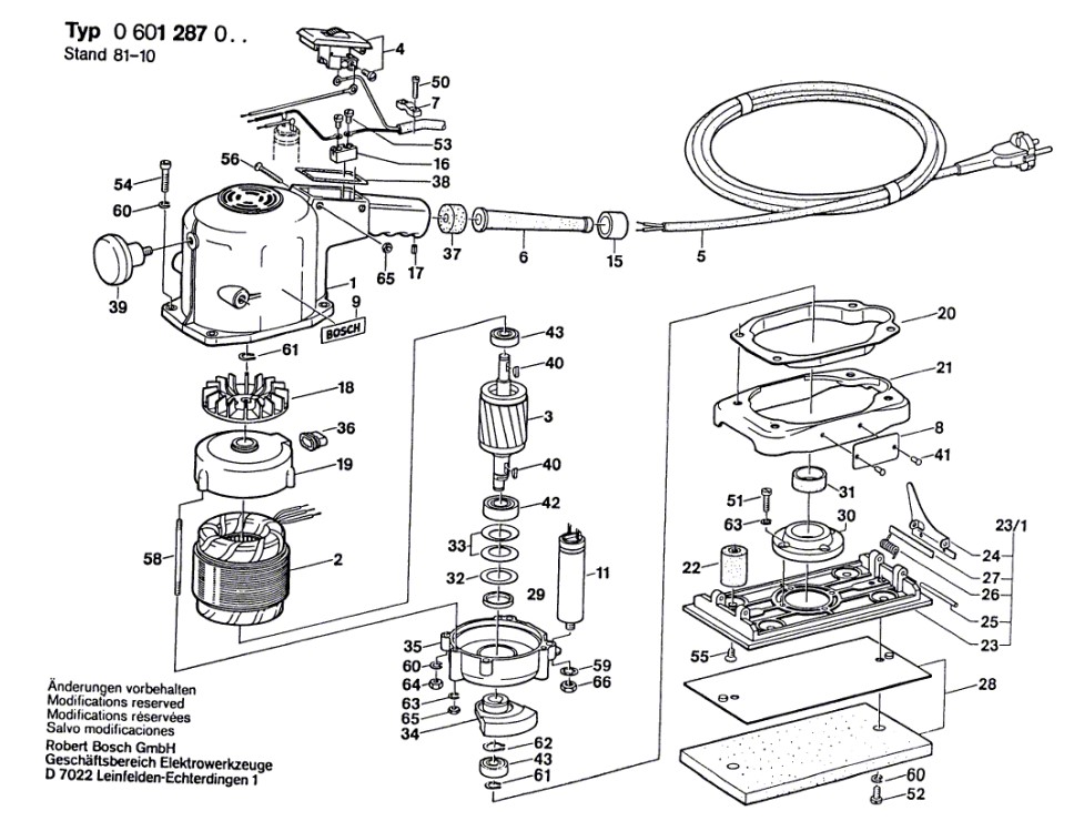
Schwingschleifer ( 0 601 287 033 )

Zeichnung Bosch Schwingschleifer 0 601 287 033:

Zeichnung 1

Sollten Sie Fragen zu einem Ersatzteil haben, können Sie uns gerne eine Ersatzteilanfrage stellen.

Hier finden Sie alle Ersatzteile für Bosch Schwingschleifer 0 601 287 033:
Artikel 1 - 13 von 13

8,74 € *
Lieferzeit: 2 - 10 Werktage
4,52 € *
Lieferzeit: 2 - 10 Werktage

Artikel 1 - 13 von 13