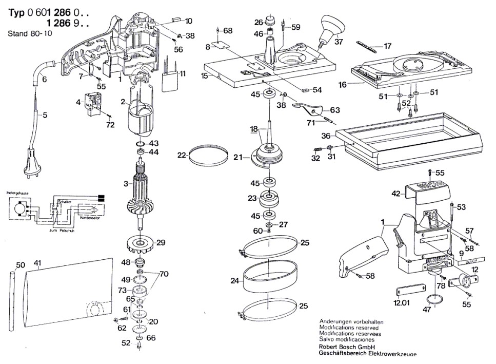
Schwingschleifer ( 0 601 286 001 )

Zeichnung Bosch Schwingschleifer 0 601 286 001:

Zeichnung 1

Sollten Sie Fragen zu einem Ersatzteil haben, können Sie uns gerne eine Ersatzteilanfrage stellen.

Hier finden Sie alle Ersatzteile für Bosch Schwingschleifer 0 601 286 001:
Artikel 1 - 17 von 17

5,28 € *
Lieferzeit: 2 - 10 Werktage
5,28 € *
Lieferzeit: 2 - 10 Werktage
5,28 € *
Lieferzeit: 2 - 10 Werktage
5,28 € *
Lieferzeit: 2 - 10 Werktage

Artikel 1 - 17 von 17