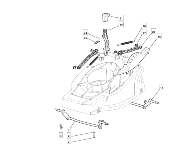
Schnittverstellung

Zeichnung von Mountfield Elektrorasenmäher ab 2010 EL 4100 (Geräte Nr.: 294411663/MI8):

Klicken Sie auf diese Zeichnung

Sollten Sie Fragen zu einem Ersatzteil haben, können Sie uns gerne eine Ersatzteilanfrage stellen.

Hier finden Sie alle Ersatzteile von Mountfield Elektrorasenmäher ab 2010 EL 4100 (Geräte Nr.: 294411663/MI8) aus der Zeichnung Schnittverstellung:
Artikel 1 - 6 von 6


Artikel 1 - 6 von 6