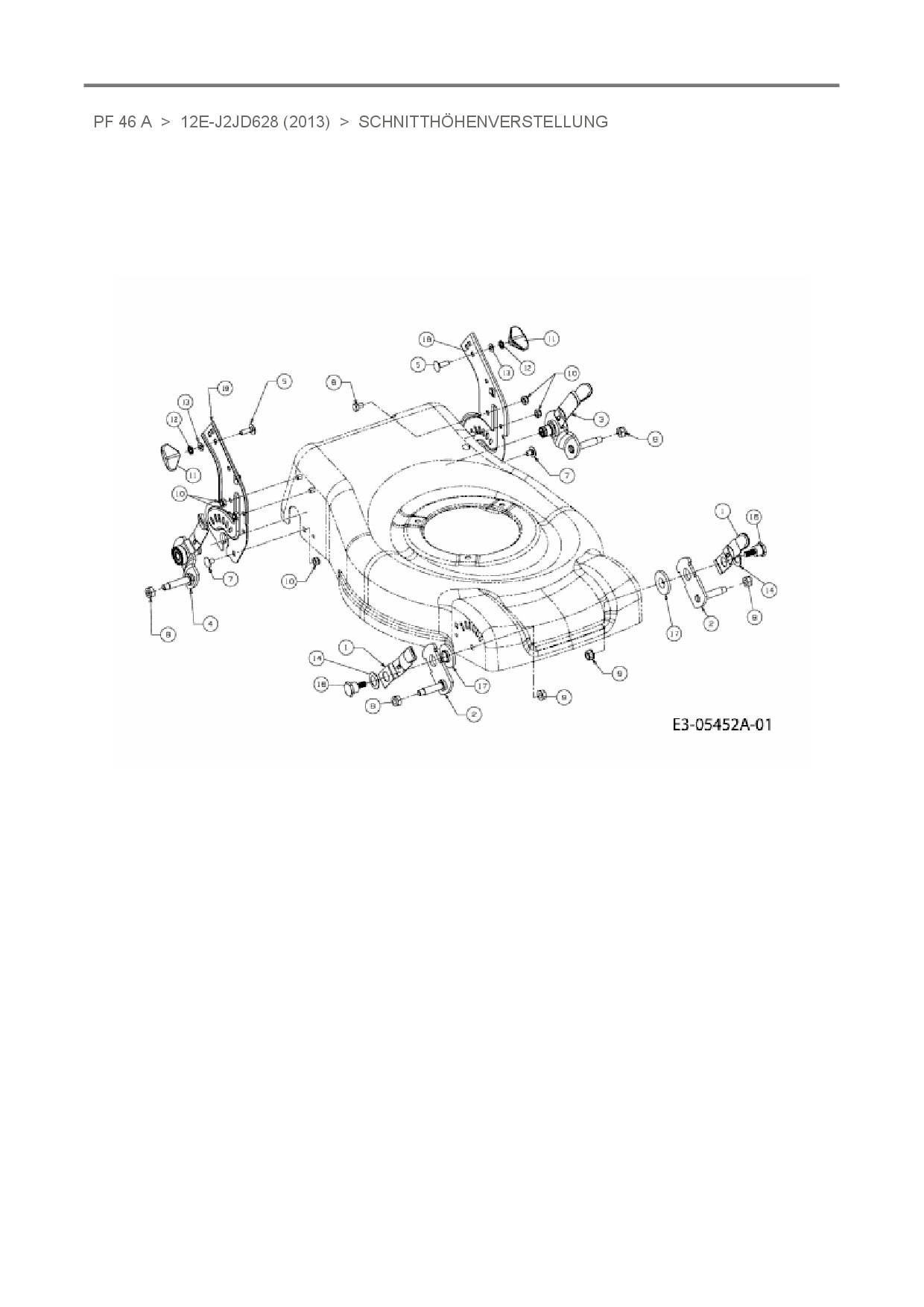
Schnitthöhenverstellung

Zeichnung für Preisfuxx Motormäher mit Antrieb PF 46 A mit der Geräte-Artikelnr. 12E-J2JD628 ab Baujahr 2013:

Zeichnung Schnitthöhenverstellung

Die Ersatzteil-Zeichnung für Motormäher mit Antrieb Preisfuxx PF 46 A als Download:
Download Ersatzteil-Zeichnung Preisfuxx PF 46 A Zeichnung Schnitthöhenverstellung (PDF-Format)
Download Ersatzteil-Zeichnung Preisfuxx PF 46 A Zeichnung Schnitthöhenverstellung (JPG-Format)

Sollten Sie Fragen zu einem Ersatzteil haben, können Sie uns gerne eine E-Mail (mit einem Foto vom Typenschild Ihres Gerätes) schreiben oder eine Ersatzteilanfrage stellen.

Ersatzteile für Motormäher mit Antrieb Preisfuxx PF 46 A aus der Zeichnung Schnitthöhenverstellung:
Artikel 1 - 10 von 18


Artikel 1 - 10 von 18