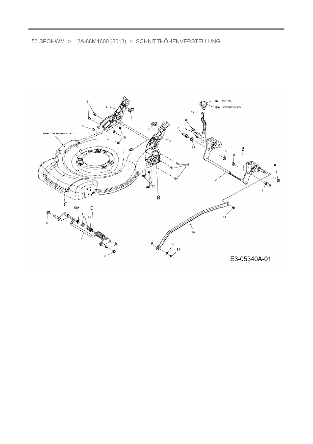
Schnitthöhenverstellung

Zeichnung für MTD Motormäher mit Antrieb 53 SPOHWM mit der Geräte-Artikelnr. 12A-86M1600 ab Baujahr 2013:

Zeichnung Schnitthöhenverstellung

Die Ersatzteil-Zeichnung für Motormäher mit Antrieb MTD 53 SPOHWM als Download:
Download Ersatzteil-Zeichnung MTD 53 SPOHWM Zeichnung Schnitthöhenverstellung (PDF-Format)
Download Ersatzteil-Zeichnung MTD 53 SPOHWM Zeichnung Schnitthöhenverstellung (JPG-Format)

Sollten Sie Fragen zu einem Ersatzteil haben, können Sie uns gerne eine E-Mail (mit einem Foto vom Typenschild Ihres Gerätes) schreiben oder eine Ersatzteilanfrage stellen.

Ersatzteile für Motormäher mit Antrieb MTD 53 SPOHWM aus der Zeichnung Schnitthöhenverstellung:
Artikel 1 - 18 von 18

12,44 € *
Lieferzeit: 2 - 10 Werktage
10,32 € *
Lieferzeit: 2 - 10 Werktage
5,88 € *
Lieferzeit: 2 - 10 Werktage
12,44 € *
Lieferzeit: 2 - 10 Werktage

Artikel 1 - 18 von 18