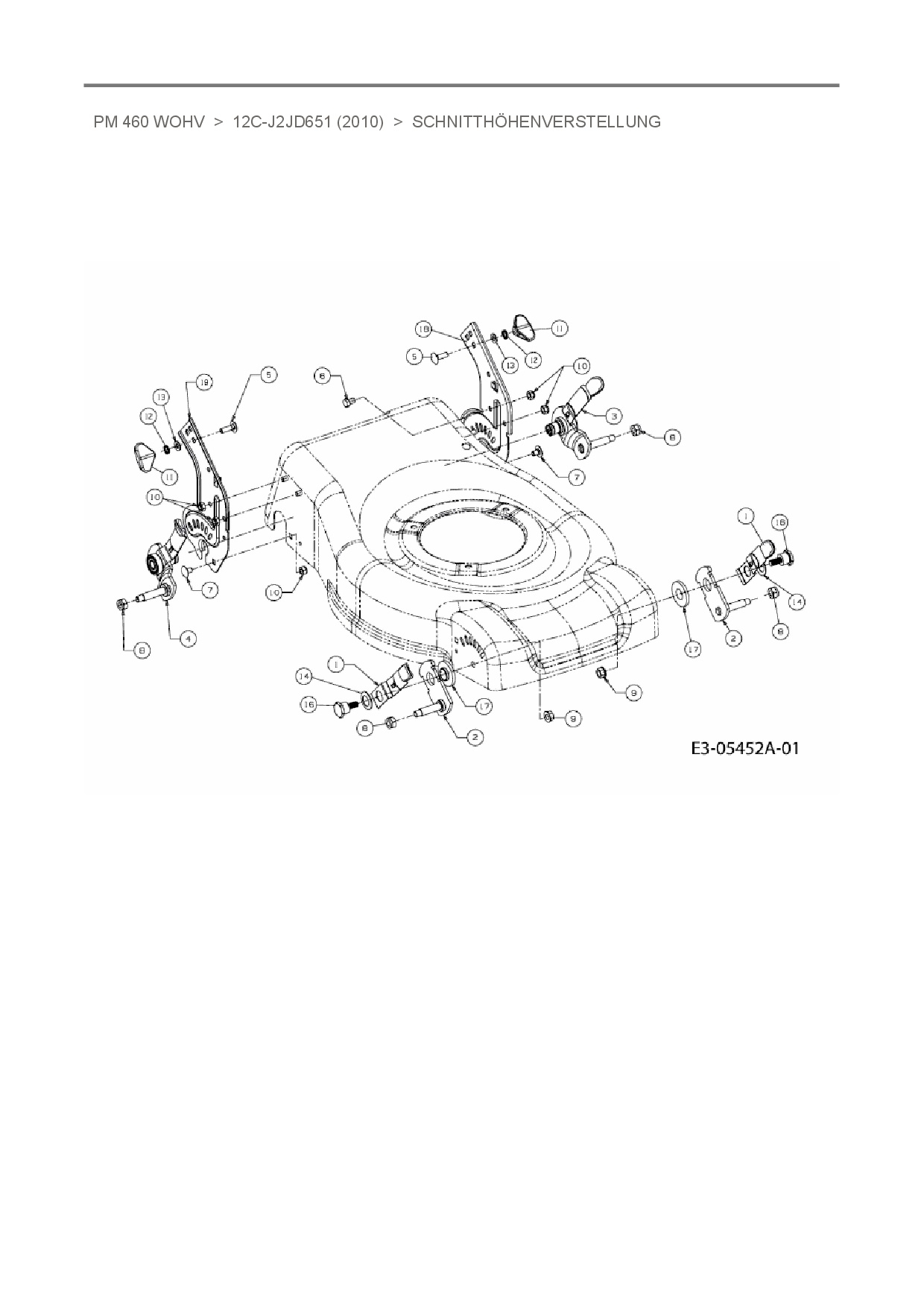
Schnitthöhenverstellung

Zeichnung für Terradena Motormäher mit Antrieb PM 460 WOHV mit der Geräte-Artikelnr. 12C-J2JD651 ab Baujahr 2010:

Zeichnung Schnitthöhenverstellung

Die Ersatzteil-Zeichnung für Motormäher mit Antrieb Terradena PM 460 WOHV als Download:
Download Ersatzteil-Zeichnung Terradena PM 460 WOHV Zeichnung Schnitthöhenverstellung (PDF-Format)
Download Ersatzteil-Zeichnung Terradena PM 460 WOHV Zeichnung Schnitthöhenverstellung (JPG-Format)

Sollten Sie Fragen zu einem Ersatzteil haben, können Sie uns gerne eine E-Mail (mit einem Foto vom Typenschild Ihres Gerätes) schreiben oder eine Ersatzteilanfrage stellen.

Ersatzteile für Motormäher mit Antrieb Terradena PM 460 WOHV aus der Zeichnung Schnitthöhenverstellung:
Artikel 1 - 18 von 18

20,84 € *
Lieferzeit: 2 - 10 Werktage

Artikel 1 - 18 von 18