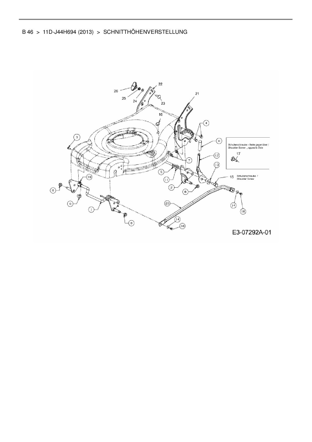
Schnitthöhenverstellung

Zeichnung für Lux Tools Motormäher B 46 mit der Geräte-Artikelnr. 11D-J44H694 ab Baujahr 2013:

Zeichnung Schnitthöhenverstellung

Die Ersatzteil-Zeichnung für Motormäher Lux Tools B 46 als Download:
Download Ersatzteil-Zeichnung Lux Tools B 46 Zeichnung Schnitthöhenverstellung (PDF-Format)
Download Ersatzteil-Zeichnung Lux Tools B 46 Zeichnung Schnitthöhenverstellung (JPG-Format)

Sollten Sie Fragen zu einem Ersatzteil haben, können Sie uns gerne eine E-Mail (mit einem Foto vom Typenschild Ihres Gerätes) schreiben oder eine Ersatzteilanfrage stellen.

Ersatzteile für Motormäher Lux Tools B 46 aus der Zeichnung Schnitthöhenverstellung:
Artikel 1 - 20 von 24

65,98 € *
Lieferzeit: 2 - 10 Werktage
33,83 € *
Lieferzeit: 2 - 10 Werktage
6,88 € *
Lieferzeit: 2 - 10 Werktage
4,88 € *
Lieferzeit: 2 - 10 Werktage
5,88 € *
Lieferzeit: 2 - 10 Werktage
4,88 € *
Lieferzeit: 2 - 10 Werktage
5,88 € *
Lieferzeit: 2 - 10 Werktage
5,88 € *
Lieferzeit: 2 - 10 Werktage
5,88 € *
Lieferzeit: 2 - 10 Werktage
5,88 € *
Lieferzeit: 2 - 10 Werktage
29,60 € *
Lieferzeit: 2 - 10 Werktage
5,88 € *
Lieferzeit: 2 - 10 Werktage
5,88 € *
Lieferzeit: 2 - 10 Werktage
4,51 € *
Lieferzeit: 2 - 10 Werktage
4,88 € *
Lieferzeit: 2 - 10 Werktage
7,98 € *
Lieferzeit: 2 - 10 Werktage
15,88 € *
Lieferzeit: 2 - 10 Werktage
18,30 € *
Lieferzeit: 2 - 10 Werktage
23,40 € *
Lieferzeit: 2 - 10 Werktage
22,88 € *
Lieferzeit: 2 - 10 Werktage

Artikel 1 - 20 von 24