Schnitthöhenverstellung

Zeichnung für Wolf-Garten Expert Motormäher mit Antrieb Expert 46 BAES mit der Geräte-Artikelnr. 12AEK18Z650 ab Baujahr 2013:

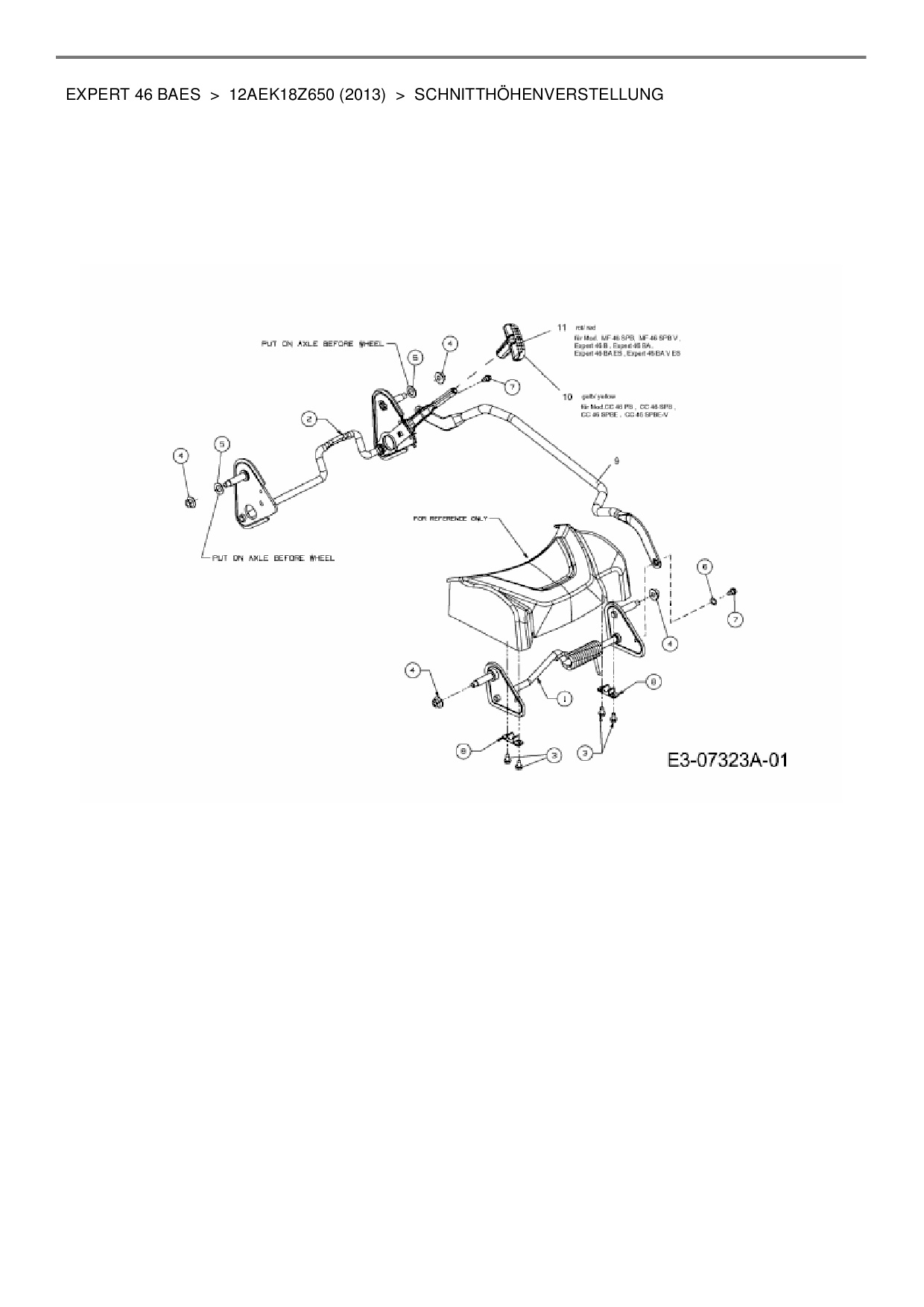
Zeichnung Schnitthöhenverstellung

Die Ersatzteil-Zeichnung für Motormäher mit Antrieb Wolf-Garten Expert Expert 46 BAES als Download:
Download Ersatzteil-Zeichnung Wolf-Garten Expert Expert 46 BAES Zeichnung Schnitthöhenverstellung (PDF-Format)
Download Ersatzteil-Zeichnung Wolf-Garten Expert Expert 46 BAES Zeichnung Schnitthöhenverstellung (JPG-Format)

Sollten Sie Fragen zu einem Ersatzteil haben, können Sie uns gerne eine E-Mail (mit einem Foto vom Typenschild Ihres Gerätes) schreiben oder eine Ersatzteilanfrage stellen.

Ersatzteile für Motormäher mit Antrieb Wolf-Garten Expert Expert 46 BAES aus der Zeichnung Schnitthöhenverstellung:
Artikel 1 - 10 von 11


Artikel 1 - 10 von 11