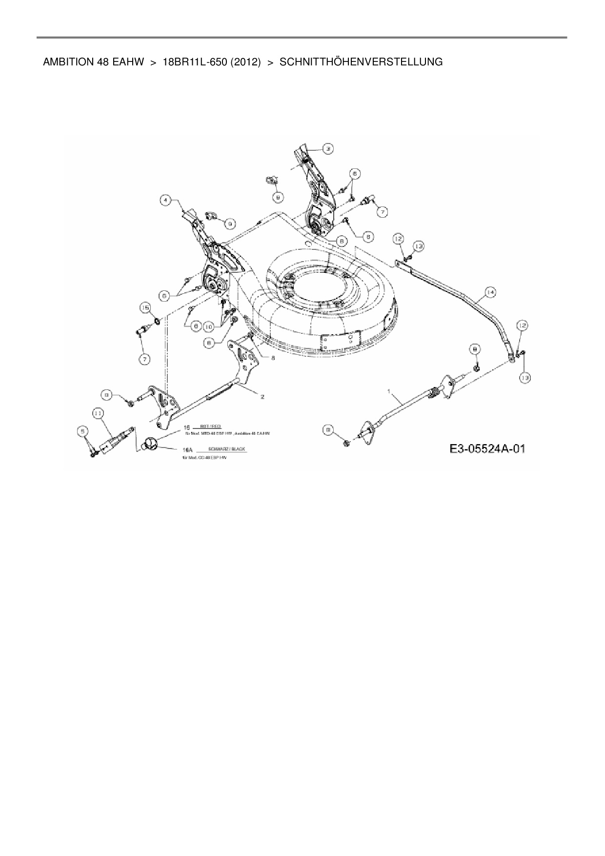
Schnitthöhenverstellung

Zeichnung für Wolf-Garten Elektromäher mit Antrieb Ambition 48 EAHW mit der Geräte-Artikelnr. 18BR11L-650 ab Baujahr 2012:

Zeichnung Schnitthöhenverstellung

Die Ersatzteil-Zeichnung für Elektromäher mit Antrieb Wolf-Garten Ambition 48 EAHW als Download:
Download Ersatzteil-Zeichnung Wolf-Garten Ambition 48 EAHW Zeichnung Schnitthöhenverstellung (PDF-Format)
Download Ersatzteil-Zeichnung Wolf-Garten Ambition 48 EAHW Zeichnung Schnitthöhenverstellung (JPG-Format)

Sollten Sie Fragen zu einem Ersatzteil haben, können Sie uns gerne eine E-Mail (mit einem Foto vom Typenschild Ihres Gerätes) schreiben oder eine Ersatzteilanfrage stellen.

Ersatzteile für Elektromäher mit Antrieb Wolf-Garten Ambition 48 EAHW aus der Zeichnung Schnitthöhenverstellung:
Artikel 1 - 10 von 16


Artikel 1 - 10 von 16