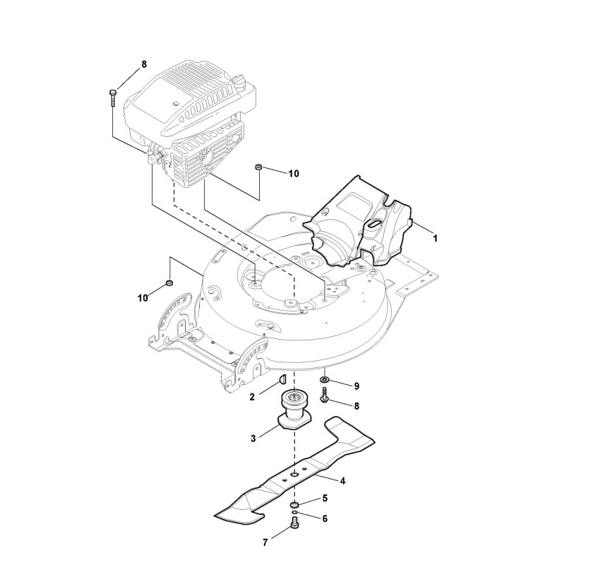
Schneidwerkzeug (Messer)

Zeichnung von Castelgarden Benzinrasenmäher ab 2010 XSP 52 MBS (ID 290502028/10):

Klicken Sie auf diese Zeichnung

Sollten Sie Fragen zu einem Ersatzteil haben, können Sie uns gerne eine Ersatzteilanfrage stellen.

Hier finden Sie alle Ersatzteile von Castelgarden Benzinrasenmäher ab 2010 XSP 52 MBS (ID 290502028/10) aus der Zeichnung Schneidwerkzeug (Messer):
Artikel 1 - 10 von 10


Artikel 1 - 10 von 10