Schneidwerkzeug (2)

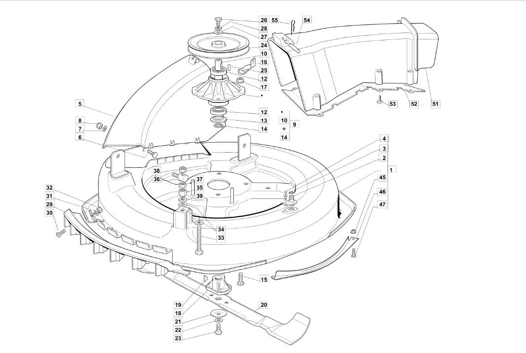
Zeichnung EFCO Rasentraktor EF 72C/13H Cat.2013:

Zeichnung 1

Sollten Sie Fragen zu einem Ersatzteil haben, können Sie uns gerne eine Ersatzteilanfrage stellen.

Hier finden Sie alle Ersatzteile für EFCO Rasentraktor EF 72C/13H Cat.2013 aus der Zeichnung Schneidwerkzeug (2):
Artikel 41 - 45 von 45

81,33 € *
Lieferzeit: 2 - 10 Werktage
20,52 € *
Lieferzeit: 2 - 10 Werktage
4,24 € *
Lieferzeit: 2 - 10 Werktage
6,06 € *
Lieferzeit: 2 - 10 Werktage
4,24 € *
Lieferzeit: 2 - 10 Werktage

Artikel 41 - 45 von 45