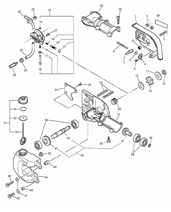
Schneidkopf

Zeichnung von ECHO Kombisystem PAS-265ES Hochentaster 999442-00832 bis Serien-Nr. 35002649 Schneidkopf:

Klicken Sie auf diese Zeichnung

Sollten Sie Fragen zu einem Ersatzteil haben, können Sie uns gerne eine Ersatzteilanfrage stellen.

Hier finden Sie alle Ersatzteile von ECHO Kombisystem PAS-265ES Hochentaster 999442-00832 bis Serien-Nr. 35002649:
Artikel 1 - 20 von 46


Artikel 1 - 20 von 46