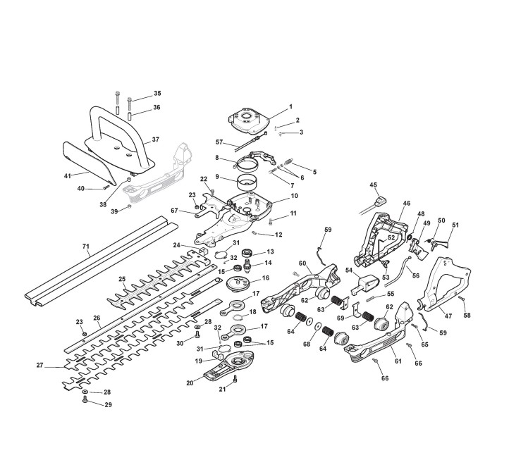
Schneideeinheit

Zeichnung von Castelgarden Benzin Heckenschere XHM 75 (251460003/09) ab 2012:

Klicken Sie auf diese Zeichnung

Sollten Sie Fragen zu einem Ersatzteil haben, können Sie uns gerne eine Ersatzteilanfrage stellen.

Hier finden Sie alle Ersatzteile von Castelgarden Benzin Heckenschere XHM 75 (251460003/09) ab 2012 aus der Zeichnung Schneideeinheit:
Artikel 1 - 6 von 6


Artikel 1 - 6 von 6