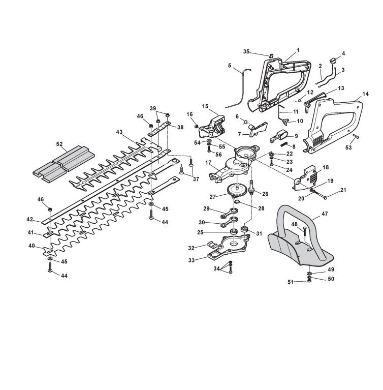
Schneideeinheit

Zeichnung von Castelgarden Benzin Heckenschere XH 55 (252800003/09) ab 2010:

Klicken Sie auf diese Zeichnung

Sollten Sie Fragen zu einem Ersatzteil haben, können Sie uns gerne eine Ersatzteilanfrage stellen.

Hier finden Sie alle Ersatzteile von Castelgarden Benzin Heckenschere XH 55 (252800003/09) ab 2010 aus der Zeichnung Schneideeinheit:
Artikel 1 - 11 von 11


Artikel 1 - 11 von 11