Schneideeinheit (2)

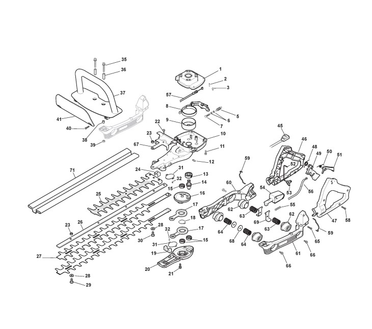
Zeichnung von Castelgarden Benzin Heckenschere XHM 60 (251460003/09) ab 2011:

Klicken Sie auf diese Zeichnung

Sollten Sie Fragen zu einem Ersatzteil haben, können Sie uns gerne eine Ersatzteilanfrage stellen.

Hier finden Sie alle Ersatzteile von Castelgarden Benzin Heckenschere XHM 60 (251460003/09) ab 2011 aus der Zeichnung Schneideeinheit (2):
Artikel 1 - 6 von 6


Artikel 1 - 6 von 6