Schneeräumschild

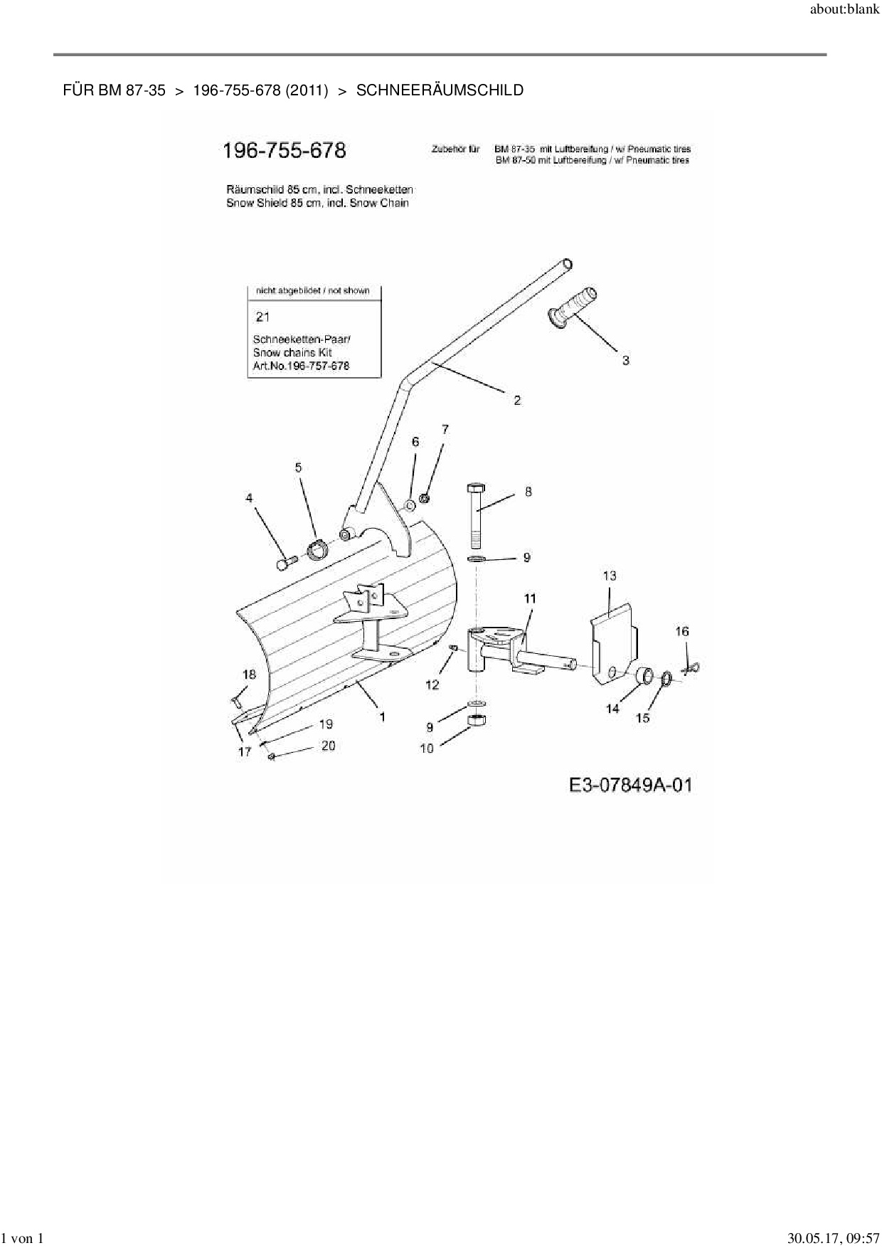
Zeichnung für Zubehör Balkenmäher Räumschild für BM 87-35 mit der Geräte-Artikelnr. 196-755-678 ab Baujahr 2011:

Zeichnung Schneeräumschild

Die Ersatzteil-Zeichnung für Räumschild Zubehör Balkenmäher für BM 87-35 als Download:
Download Ersatzteil-Zeichnung Zubehör Balkenmäher für BM 87-35 Zeichnung Schneeräumschild (PDF-Format)
Download Ersatzteil-Zeichnung Zubehör Balkenmäher für BM 87-35 Zeichnung Schneeräumschild (JPG-Format)

Sollten Sie Fragen zu einem Ersatzteil haben, können Sie uns gerne eine E-Mail (mit einem Foto vom Typenschild Ihres Gerätes) schreiben oder eine Ersatzteilanfrage stellen.

Ersatzteile für Räumschild Zubehör Balkenmäher für BM 87-35 aus der Zeichnung Schneeräumschild:
Artikel 1 - 5 von 5


Artikel 1 - 5 von 5