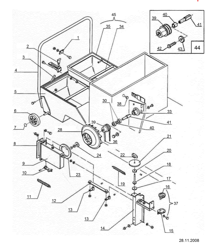
Schmutzfangbox

Zeichnung von Erco Kehr- und Saugmaschinen Aufsitz-Kehrsaugmaschinen ER-COMPACT-1150ES_blau Schmutzfangbox:

Klicken Sie auf diese Zeichnung

Sollten Sie Fragen zu einem Ersatzteil haben, können Sie uns gerne eine Ersatzteilanfrage stellen.

Hier finden Sie alle Ersatzteile von Erco Kehr- und Saugmaschinen Aufsitz-Kehrsaugmaschinen ER-COMPACT-1150ES_blau aus der Zeichnung Schmutzfangbox:
Artikel 1 - 20 von 37


Artikel 1 - 20 von 37