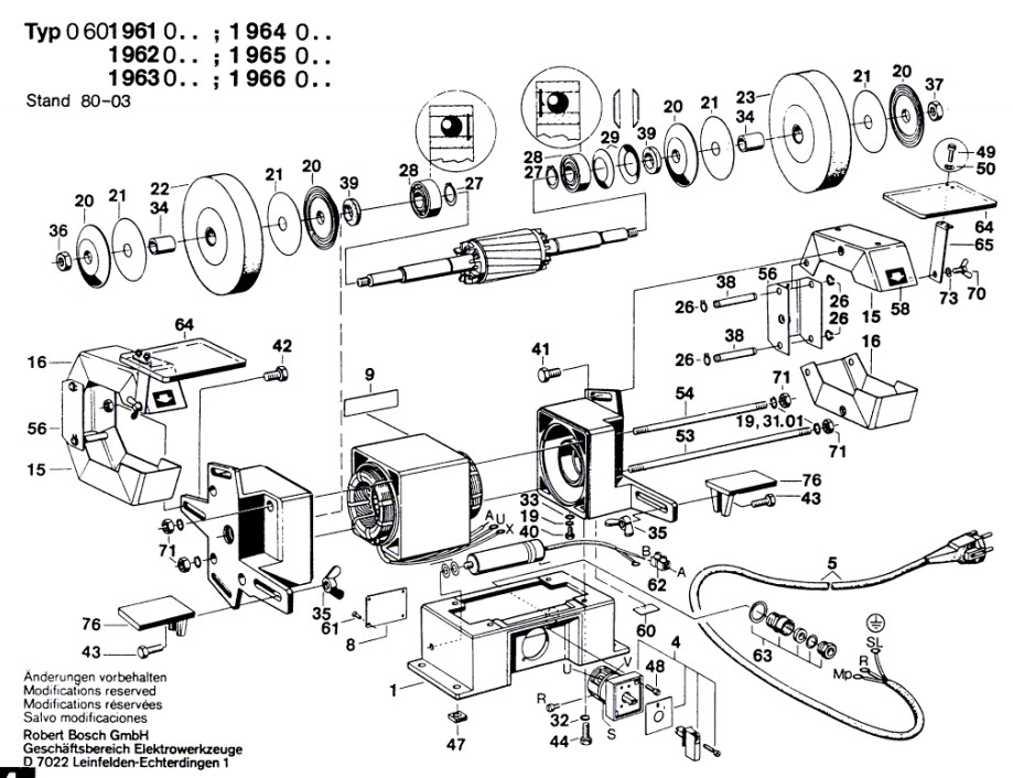
Schleifbock ( 0 601 964 060 )

Zeichnung Bosch Schleifbock 0 601 964 060:

Zeichnung 1

Sollten Sie Fragen zu einem Ersatzteil haben, können Sie uns gerne eine Ersatzteilanfrage stellen.

Hier finden Sie alle Ersatzteile für Bosch Schleifbock 0 601 964 060:
Artikel 1 - 10 von 10


Artikel 1 - 10 von 10