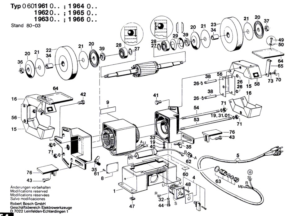
Schleifbock ( 0 601 961 003 )

Zeichnung Bosch Schleifbock 0 601 961 003:

Zeichnung 1

Sollten Sie Fragen zu einem Ersatzteil haben, können Sie uns gerne eine Ersatzteilanfrage stellen.

Hier finden Sie alle Ersatzteile für Bosch Schleifbock 0 601 961 003:
Artikel 1 - 12 von 12

5,28 € *
Lieferzeit: 2 - 10 Werktage

Artikel 1 - 12 von 12