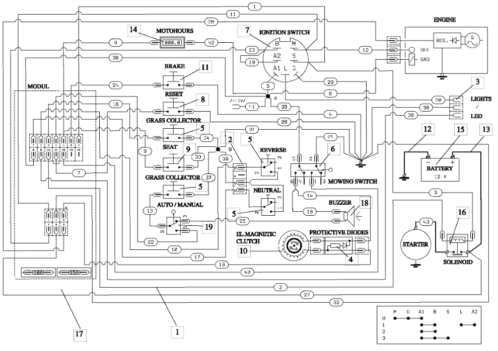
Schaltplan

Zeichnung EFCO Rasentraktor EF 92/24 KH (K2400AVD TWIN) Cat.2019:

Zeichnung 1

Sollten Sie Fragen zu einem Ersatzteil haben, können Sie uns gerne eine Ersatzteilanfrage stellen.

Hier finden Sie alle Ersatzteile für EFCO Rasentraktor EF 92/24 KH (K2400AVD TWIN) Cat.2019 aus der Zeichnung Schaltplan:
Artikel 1 - 17 von 17


Artikel 1 - 17 von 17